EasyManua.ls Logo

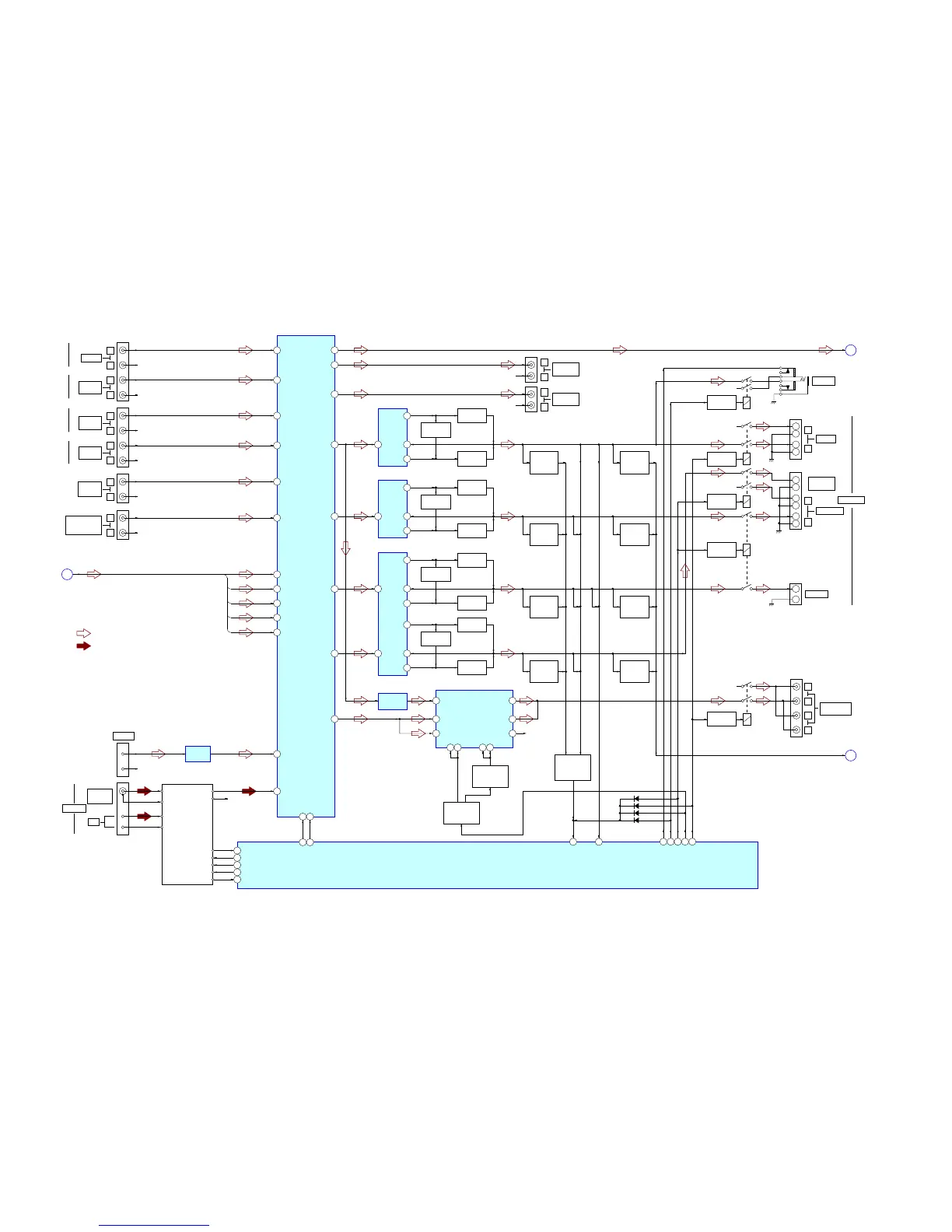
Sony STR-KM5000 - Block Diagram - AUDIO Section

Sony STR-KM5000
71 pages
Print Icon
To Next Page IconTo Next Page
To Next Page IconTo Next Page
To Previous Page IconTo Previous Page
To Previous Page IconTo Previous Page
Loading...
SYSTEM CONTROLLER
IC1101 (4/5)
10
DATA
11
CLK
L CH
R CH
DO
DI
INL1 (TUNER_L)
63
VOL_IC_CLK
25
VOL_IC_DATA
24
89
LOUT
76
FM 75Ω
COAXIAL
91
90
92
DVD
AUDIO IN
ANTENNA
TUNER (FM/AM)
AM
INL2 (DMPORT_L)
61
L+
R+
14
13
CN1302 (1/2)
R-CH
INPUT SELECTOR,
ELECTRICAL VOLUME
IC400
R-CH
FM ANT
GND
AM ANT
GND
CLOCK
CE
DO/SD/ST
TUNER_DATA
TUNER_CLK
SLATCH
INL9
47
INL7
51
TV IN
J401 (1/2)
SA-CD/CD
CD-R IN
L
R
L
R
R-CH
R-CH
INL12
41
INL11
43
J403
SAT
AUDIO IN
L
R
L
R
R-CH
R-CH
VIDEO 2 IN/
PORTABLE AV IN
AUDIO
INL5
55
SLIN
68
CIN
70
SWIN
71
LIN
72
J298 (2/2)
L
R R-CH
BUFFER
IC3002
LINE AMP
IC2101
43
SD
TUNER_SD
SIGNAL PATH
: TUNER
: AUDIO (ANALOG)
R-ch is omitted due to same as L-ch.
A_AUDIO
C
DMPORT
VIDEO 1
AUDIO IN
INL13
38
J404 (1/2)
L
R R-CH
FLOUT
14
P_DET
G
SL
L, C, SW, SL, SBL
C
L
SW
F
SBLIN
66
SBL
RECL1
29
J401 (2/2)
L
R
SA-CD/CD
CD-R OUT
R-CH
RECL2
27
J404 (2/2)
L
R
VIDEO 1
AUDIO OUT
R-CH
+VOUT1
2
NF1
5
-VOUT1
3
LIMITER
Q701, 702
BOOSTER
Q703
BOOSTER
Q704
CURRENT
DETECT
Q711, 712
IN1
6
POWER AMP
IC700
AF POWER
PROTECT
Q720
RELAY DRIVE
Q375
RELAY DRIVE
Q350
RELAY DRIVE
Q360
RELAY DRIVE
Q355
PROTECTOR
61
67 70
VACS CTRL
45
PROTECT
SWITCH
Q320, 321,
323 – 325
SLOUT
18
+VOUT1
2
NF1
5
-VOUT1
3
LIMITER
Q801, 802
BOOSTER
Q803
BOOSTER
Q804
CURRENT
DETECT
Q811, 812
IN1
6
POWER AMP
IC800
+VOUT1
2
NF1
5
-VOUT1
3
LIMITER
Q601, 602
BOOSTER
Q653
BOOSTER
Q604
IN1
6
AF POWER
PROTECT
Q820
COUT
16
+VOUT2
12
NF2
9
-VOUT2
11
LIMITER
Q651, 652
BOOSTER
Q653
BOOSTER
Q654
CURRENT
DETECT
Q661, 662
IN2
8
POWER AMP
IC600
MONO-SW_OUT
12
MONO-SW_OUT
10
MONO-SW_IN
13
MONO-SW_IN
11
SW-L_OUT
3SW-L_IN
4
ANALOG AUDIO SWITCH
IC2100
AF POWER
PROTECT
Q670
CURRENT
DETECT
Q611, 612
AUDIO ON/OFF
CONTROL
Q2101
AUDIO ON/OFF
CONTROL
Q2100
AF POWER
PROTECT
Q620
SBLOUT
20
SWOUT
15
+
+
RY355
RY360
RY350
RY375
R-CH
R-CH
+
+
+
R-CH
R-CH
+
HP_DETECT
HP_RY
FRONT A
C/SW/REAR/SB_RY
55 62
FRONT A RY
66
D111 0
D1109
D1108
D1107
RELAY DRIVE
Q2103
RY2101
J790
PHONES
TB601
L
R
FRONT
TB605
L
R
L
R
L
R
SURROUND
SURROUND
BACK
SPEAKERS
TB607
CENTER
J406
SUB WOOFER
AUDIO OUT
15
A
5
B
6
C
14
D
R-CH

Table of Contents

Related product manuals