EasyManua.ls Logo

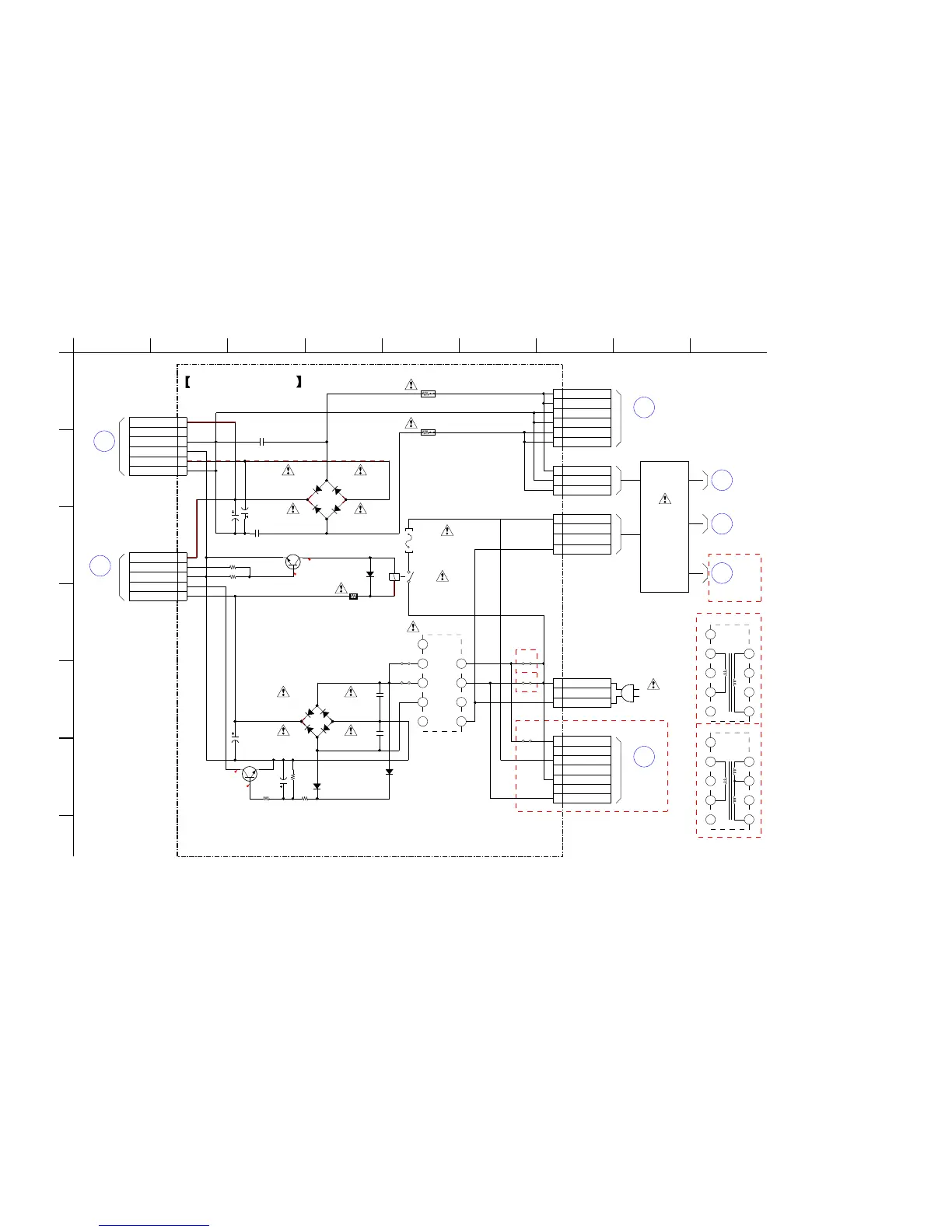
Sony STR-KM5000 - Schematic Diagram - STANDBY Board

Sony STR-KM5000
71 pages
Print Icon
To Next Page IconTo Next Page
To Next Page IconTo Next Page
To Previous Page IconTo Previous Page
To Previous Page IconTo Previous Page
Loading...
BOARD
CN4001
CONVERTER
Z
DCDC
BOARD
CNP903
SELECT
V
AC
(3/3)
DIGITAL
U
CNP505
AB BOARD
BOARD
(3/3)
CNP912
K
MAIN
(3/3)
MAIN
J
CNP940
BOARD
(3/3)
N
CNP921
MAIN
BOARD
SELECT
X
CNP905
AC
BOARD
0
0.6
0.8
0.2
50V
1
C992
1
R902
FH901
FH902
RY901
JS950
JS951
1
2
3
3P
CNP910
R2 AC
R2 CENTER TAP
R2 AC
25V
1000
C913
1
3
3P
CNP901
LIVE
2
NC
NEUTRAL
25V
2200
C912
16V
C953
3300
1
4
4P
CNP902
LIVE
2
NC
3
NC
NEUTRAL
F901
0.1
C910
0.1
C911
2SC3052EF-T1-LEF
Q990
22k
R991
10k
R993
47k
R990
0.1C951 0.1C950
MA2J1110GLS0
D901
MA2J1110GLS0
D991
MA2J1110GLS0
D990
1
2
3
4
5
6
6P
CNP911
AC-R2-17V
AC-R2-17V
GND
GND
AC-R2-17V
AC-R2-17V
1
3
4
5
6
7
8
9
2
T902, 903
2SC3052EF-T1-LEF
Q901
2.2kR903
1/2W
0.22
R910
1/2W
0.22
R911
JS903
47kR904
1
3
4
5
6
6P
CN912
+15V
2
NC
R2 GND IN
STBY GND
-15V
R2 RETURN GND
1
2
3
4
5
5P
CNP914
+15V
POWER_RY
STANDBY GND
STOP (AC-OFF-DET)
STANDBY (+9V)
JS901
JS902
D910
1SR154-400TE-25
D911
1SR154-400TE-25
1SR154-400TE-25
D913
1SR154-400TE-25
D912
D953
1SR154-400TE-25
1SR154-400TE-25
D952
1SR154-400TE-25
D951
1SR154-400TE-25
D950
STANDBY BOARD
(AC IN)
T2.5AL/250V (EXCEPT MX)
T4AL/250V (MX)
TRANSFORMER
SUB POWER
Refer to
right
figure.
AC OFF DETECT
RELAY DRIVE
Q951, 955
B+ SWITCH
T901
MAIN POWER
TRANSFORMER
D
B
F
53
G
1
C
E
89674
A
2
1
2
3
4
5
7
7P
CN901
(E51)
(E51)
(SP, MY, AR)
(MX)
PT AC IN(120V/240V)
NC
AC IN
NC
220V/240V
120V
6
NC
1
3
4
5
6
7
8
9
2
1
3
4
5
6
7
8
9
2
T902 (EXCEPT MX)
T903 (MX)

Table of Contents

Related product manuals