EasyManua.ls Logo

Sony TA-FA30ES - Schematic Diagram - PANEL Section

Sony TA-FA30ES
26 pages
Print Icon
To Next Page IconTo Next Page
To Next Page IconTo Next Page
To Previous Page IconTo Previous Page
To Previous Page IconTo Previous Page
Loading...
– 19 –
– 20 –
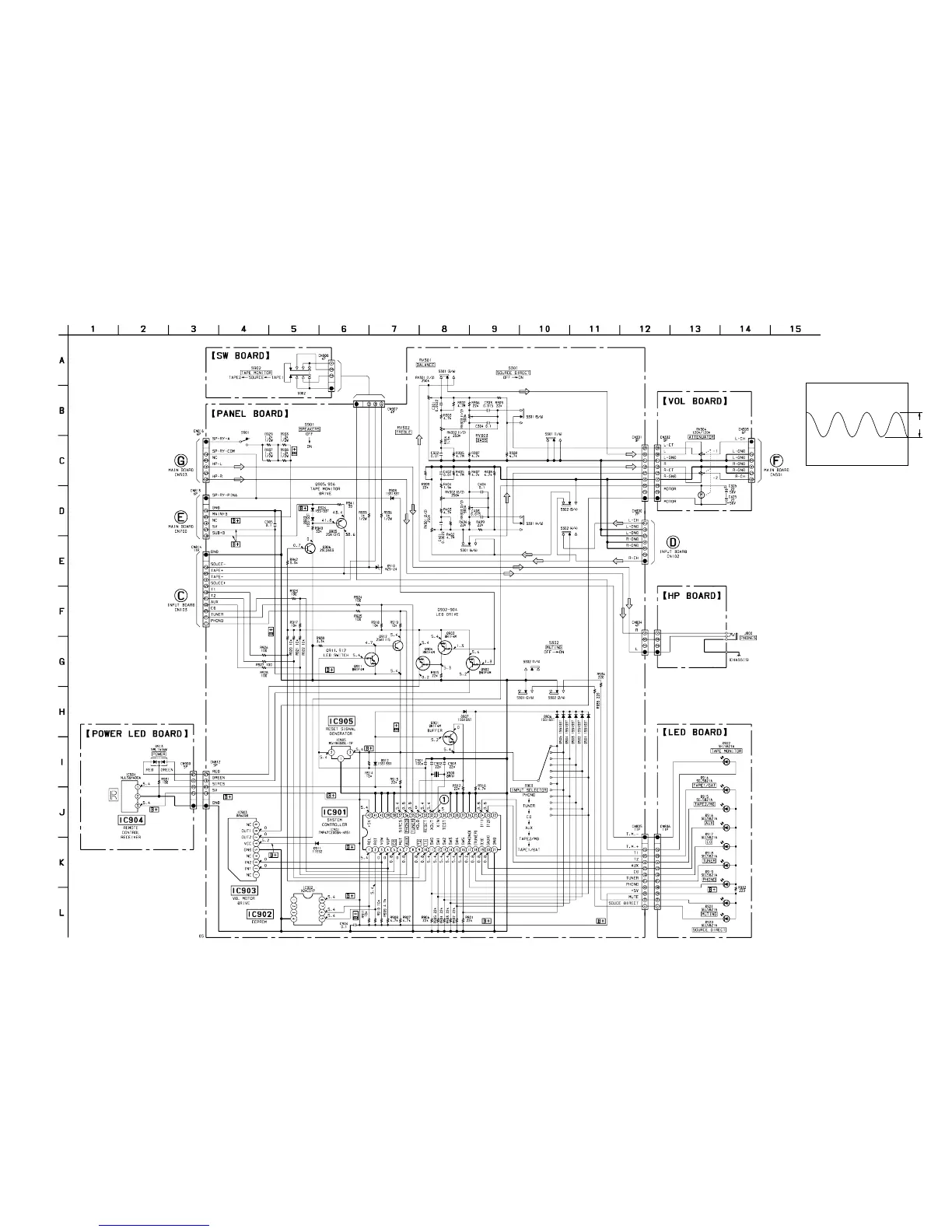
4-7. SCHEMATIC DIAGRAM – PANEL Section – See page 25 for IC Block Diagram.
TA-FA30ES
Waveform
1 IC901 #™ (XOUT)
4.4 Vp-p
8 MHz
(Page 16)
(Page 16)
(Page 11)
(Page 11)
(Page 15)

Other manuals for Sony TA-FA30ES

Related product manuals