EasyManua.ls Logo

Sony TRINITRON KV-DA29M81 - DL Board Schematic Diagram

Sony TRINITRON KV-DA29M81
165 pages
Print Icon
To Next Page IconTo Next Page
To Next Page IconTo Next Page
To Previous Page IconTo Previous Page
To Previous Page IconTo Previous Page
Loading...
KV-DA29M81
RM-W105
KV-DA29M81
RM-W105
A
123456789101112
13 14
B
C
D
E
F
G
H
I
J
84 85
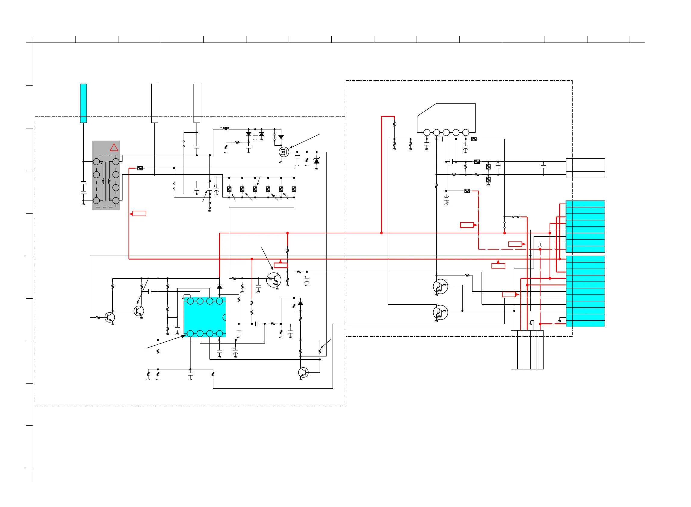
7-2-11. DL Board Schematic Diagram
R6328
100k
RN-CP
R6306 XX
R6305
100K
RN-CP
R6321 22K RN-CP
R6315 1K
C6307
100p
CH
1
2
3
45
6
8
T6300
D6300
MMDL914T1
PROTECT
Q6302
UN2213
PROT OUT
R6330
6.8K
RN-CP
R6322 470 rn-cp
R6302 100K RN-CP
D6303
XX
CHIP
0
R6325
R6318
10K
RN-CP
1/2W
150k
R6308
FPRD
4.7
R6301
1/2W
100k
R6317
C6315 1000p B
R6300
2.2K
RN-CP
D6301
ERA38-06
DAMPER
C6312
330P
JW6300
XX
R6326
100K
RN-CP
D6302
ERA38-06
DAMPER
R6310
150K
1/2W
R6304 10K RN-CP
C6316
0.047
25V
B:CHIP
C6317 XX
35V
47
C6303
C6308 0.047 25V B
1
CN6300
1P
DF
R3805
XX
12345
IC3800
XX
NS-LCC OUT
C3804 XX
XX
C3803
R3807
XX
Q3801
XX
MUTE SW
R3800 XX
XX
R3806
Q3800
XX
MUTE SW
XX
C3806
1
2
3
CN3800
TO LC COIL
XX
LCC-
N.C.
LCC+
R3810 XX
C3801
XX
R3808
XX
R3804 XX
RN-CP
22k
R6331
0.1
B:CHIP
C6310
0.1
B:CHIP
C6309
C6311
0.022
400V
PP
C3800
XX
C3802
XX
22k
R6319
RN-CP
R6320
22K
RN-CP
C6318
47
35V
XX
C6304
JW3801
XX
1
CN6302
XX
DF-
C6300
100p 2kv B
2.2mH
L6300
JW3800 XX
1
2
3
4
5
6
7
8
9
10
11
CN3801
11P
WHT
135V
N.C.
+15V
12V
11V
LCC
DF PH
DF PROT
H-PLS
GND
-15V
1
2
3
4
5
CN3803
XX
MUTE
12V
11V
GND
-15V
RN-CP
47k
R6303
XX
R3803
R3801
XX
JW6302
XX
1
2
3
4
5
6
7
8
CN3802
8P
WHT
135V
NC
+15V
12V
H-PLS
DGC MUTE
GND
-15V
R3811
XX
R3812
XX
4
3
2
1
LM2903DT
DF DRIVE
IC6300
10.0MM
JW6301
C3805
XX
Q6300
2SC1623-L5L6
INVERT
Q6303
2SC1623-L5L6
INVERT
Q6304
2SC1623-L5L6
INVERT
D6304
ERA38-06
STOPPER
JW6303 XX
1
CN6301
XX
H-
S
Q6301
2SK2876-01MR-F122
DF OUT
C6313 XX
D6305
RD15ES-B1
PROTECT
R3802
XX
R3809
XX
XX
R6307
R6329
4.7K
RN-CP
R6332
10k
RN-CP
R6333
10k
RN-CP
C6301
100p 2kv B
12V
DYNAMIC FOCUS
TO D BOARD
CN6816
TO D BOARD
CN6817
TO D BOARD
CN6818
TO VM BOARD
CN5400
TO D BOARD
CN6819
DL
TO WL BOARD
CN8700
!
8
7
6
5
C6319
XX
C6305
2200P
630V
PP
C6306
4.7 1
60V
R6316
6.8K
3W
RS
R6314
6.8K
3W
RS
R6313
6.8K
3W
RS
R6309
6.8K
3W
RS
R6311
6.8K
3W
RS
R6312 6.8K 3W RS
C6314
0.01 25V
B:CHIP
R6323
180K
RN
R6324 180K RN
R6327
0
CHIP
135V
135V
135V
-15V
11V
12V
(DYNAMIC FOCUS/
LANDING CORRECTION)
B-SSSCX1-...-DL.-DA29M81
500V

Table of Contents

Related product manuals