EasyManua.ls Logo

SPE EXPERT 1.5K-FA - PC Control and Software; Transceiver Control via PC

SPE EXPERT 1.5K-FA
89 pages
Print Icon
To Next Page IconTo Next Page
To Next Page IconTo Next Page
To Previous Page IconTo Previous Page
To Previous Page IconTo Previous Page
Loading...
User manual
Expert Amp 1.5K-FA
INDEX Page. 49 of 89
14. TRANSCEIVER CONTROLLED BY PC
If the transceiver is controlled by a PC using the CAT utility, the link with the amplifier
can be made as described in the following paragraphs.
Note: BEWARE, SPE assures only the direct connection between the Linear and
transceiver.
The use of external control software could create malfunctions that must
be resolved by the provider of such software and is totally the
responsibility of the owner/operator.
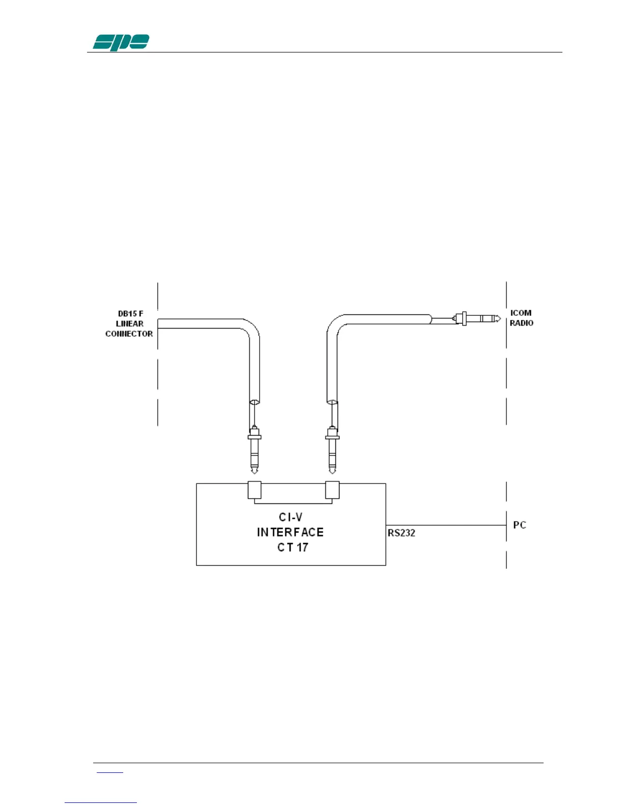
14.1 Icom CI-V Interface
The plug from the amplifier should be connected to a CIV port of the CT17 or similar
device. The transceiver should be connected to another CIV port.
The following types of connections as described in sections 14.2, 14.3 and 14.4 are
common for Kenwood, Yaesu, TEN-TEC, Flex-Radio and ELECRAFT links. The DB-15
connector side of the amplifier remains the same. On the opposite side of the cable, it is
necessary to connect only the GND and RX 232 (RX TTL) to the cable PC / Radio.
In this way, the interrogation to the transceiver is no longer requested by the linear but
is requested by the PC. The linear analyzes only the data exchanged.
In this case, DO NOT CONNECT the TX 232 (TX TTL) of the linear because it would
create conflict in the software and could damage the hardware as well. (see
following figures)

Table of Contents

Related product manuals