EasyManua.ls Logo

ST NUCLEO-F746ZG - MCU Schematic

ST NUCLEO-F746ZG
82 pages
Print Icon
To Next Page IconTo Next Page
To Next Page IconTo Next Page
To Previous Page IconTo Previous Page
To Previous Page IconTo Previous Page
Loading...
UM1974 Electrical schematics
DocID028599 Rev 7 75/82
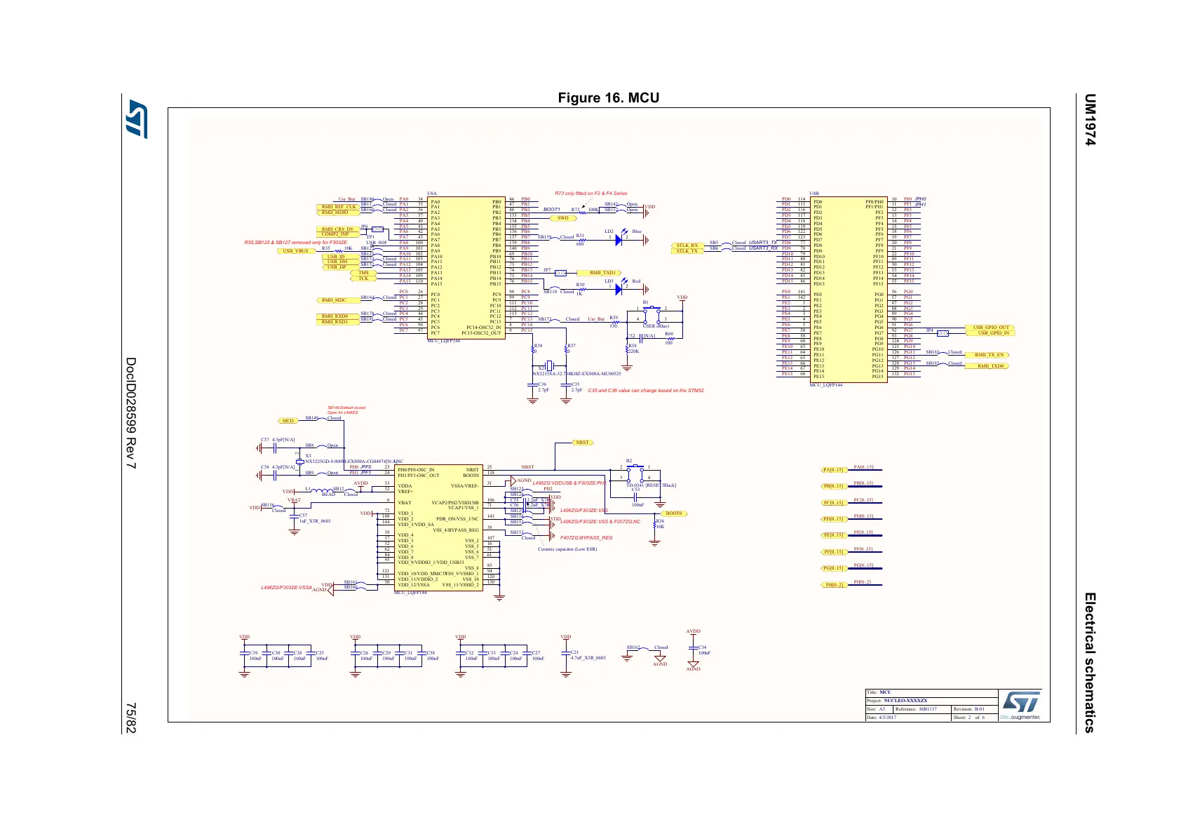
Figure 16. MCU
26
MCU
MB1137 B-01
4/5/2017
Title:
Size: Reference:
Date: Sheet: of
A3
Revision:
NUCLEO-XXXXZX
Project:
C38 4.3pF[N/A]
C37 4.3pF[N/A]
C36
2.7pF
C35
2.7pF
R38
0
R37
0
C53
100nF
R36
10K
PA4
PA5
PA6
PA7
PA11
PA12
PA0
PA1
PA15
PA3
PA13
PA14
PA2
PA8
NRST
PB5
PB6
PB7
PB14
PB15
PB10
PB8
PB9
PB1
PB2
PB3
PB0
PB4
PB11
PB12
PB13
PC0
PC1
PC2
PC3
PC4
PC5
PC6
PC7
PC8
PC9
PC10
PC11
PC12
PC13
PC14
PC15
PH2
NRST
MCO
STLK_TX
STLK_RX
VDD
VDD
L1
BEAD
AVDD
PA[0..15]
PA[0..15]
PB[0..15]
PB[0..15]
PC[0..15]
PC[0..15]
TCK
TMS
SWO
PH0
PH1
/PF0
/PF1
L496ZG:VDDUSB & F303ZE:PH2
AVDD
C34
100nF
AGND
C57
1uF_X5R_0603
VDD
VBAT
Ceramic capacitor (Low ESR)
BOOT0
C56 2.2uF_X7R
C55 2.2uF_X7R
AGND
PA0
34
PA1
35
PA2
36
PA3
37
PA4
40
PA5
41
PA6
42
PA7
43
PB0
46
PB1
47
PB2
48
PB10
69
PB11
70
PB12
73
PB13
74
PB14
75
PB15
76
PA8
100
PA9
101
PA10
102
PA11
103
PA12
104
PA13
105
PA14
109
PA15
110
PB3
133
PB4
134
PB5
135
PB6
136
PB7
137
PB8
139
PB9
140
PC13
7
PC14-OSC32_IN
8
PC15-OSC32_OUT
9
PC0
26
PC1
27
PC2
28
PC3
29
PC4
44
PC5
45
PC6
96
PC7
97
PC8
98
PC9
99
PC10
111
PC11
112
PC12
113
U8A
MCU_LQFP144
PE2
1
PE3
2
PE4
3
PE5
4
PE6
5
PE7
58
PE8
59
PE9
60
PE10
63
PE11
64
PE12
65
PE13
66
PE14
67
PE15
68
PD8
77
PD9
78
PD10
79
PD11
80
PD12
81
PD13
82
PD14
85
PD15
86
PD0
114
PD1
115
PD2
116
PD3
117
PD4
118
PD5
119
PD6
122
PD7
123
PE0
141
PE1
142
PF2
12
PF3
13
PF4
14
PF5
15
PF6
18
PF7
19
PF8
20
PF9
21
PF10
22
PF11
49
PF12
50
PF13
53
PF14
54
PF15
55
PF0/PH0
10
PF1/PH1
11
PG2
87
PG3
88
PG4
89
PG5
90
PG6
91
PG7
92
PG8
93
PG9
124
PG10
125
PG11
126
PG12
127
PG13
128
PG14
129
PG15
132
PG0
56
PG1
57
U8B
MCU_LQFP144
VSS_5
16
VDD_5
17
VDD_12/VSSA
30
VREF+
32
VDD_10/VDD_MMC33
121
VDD_9/VDDIO_1/VDD_USB33
95
VDD_6
52
VDD_7
62
VDD_8
84
VDD_11/VDDIO_2
131
VSS_10
120
VSS_9/VSSIO_1
94
VSS_6
51
VSS_7
61
VSS_8
83
VSS_11/VSSIO_2
130
VCAP2/PH2/VDDUSB
106
PDR_ON/VSS_3/NC
143
PH0/PF0-OSC_IN
23
PH1/PF1-OSC_OUT
24
NRST
25
BOOT0
138
VDDA
33
VDD_4
39
VDD_1
72
VDD_2
108
VDD_3/VDD_SA
144
VBAT
6
VSSA/VREF-
31
VSS_2
107
VSS_4/BYPASS_REG
38
VCAP1/VSS_1
71
U8C
MCU_LQFP144
VDD
VDD
VDD
AGND
VDD
L496ZG/F303ZE:VSS
VDD
L496ZG/F303ZE:VSS & F207ZG:NC
C28
100nF
C25
100nF
C30
100nF
C39
100nF
VDD
C32
100nF
VDD
PD0
PD1
PD2
PD3
PD4
PD5
PD6
PD7
PD8
PD9
PD10
PD11
PD12
PD13
PD14
PD15
PE0
PE1
PE2
PE3
PE4
PE5
PE6
PE14
PE15
PE9
PE8
PE11
PE10
PE12
PE13
PE7
PF0
PF1
PF2
PF3
PF4
PF5
PF14
PF15
PF9
PF8
PF11
PF10
PF12
PF13
PF6
PF7
PG0
PG1
PG2
PG3
PG4
PG5
PG14
PG9
PG8
PG11
PG10
PG12
PG13
PG6
PG7
PG15
PD[0..15]
PD[0..15]
PE[0..15]
PE[0..15]
PF[0..15]
PF[0..15]
PG[0..15]
PG[0..15]
PH[0..2]
PH[0..2]
SB12
Closed
SB156
Closed
SB173 Closed
SB162 Closed
SB149 Closed
X2
NX3215SA-32.768KHZ-EXS00A-MU00525
C33
100nF
C24
100nF
C27
100nF
C26
100nF
C29
100nF
C31
100nF
C58
100nF
/PH0
/PH1
AGND
USB_DM
USB_DP
SB133 Closed
SB132 Closed
USB_GPIO_OUT
USB_GPIO_IN
R58
220K
C52 [N/A]
R60
100
R59
330
JP4
PA9
PA10
R35,SB125 & SB127 removed only for F303ZE
USB_ID
USB_VBUS
R35 10K
SB155
Closed
F407ZG:BYPASS_REG
L496ZG/F303ZE:VSSA
SB125
SB123
SB124
SB129
SB154
SB153
SB161
SB166
USART3_TX
USART3_RX
TP1
USB_SOF
RMII_TXD0
RMII_TX_EN
RMII_RXD0
RMII_REF_CLK
RMII_CRS_DV
RMII_MDC
RMII_MDIO
RMII_TXD1
RMII_RXD1
JP7
JP6
COMP2_INP
SB13 Closed
SB160 Closed
SB178 Closed
SB181 Closed
SB164 Closed
SB6 Closed
SB5 Closed
SB183 Closed
SB182 Closed
1
4 3
2
B1
USER (Blue)
1
43
2
B2
TD-0341 [RESET/Black]
1 2
X3
NX3225GD-8.000M-EXS00A-CG04874[N/A]
1 2
LD3 Red
R31
680
SB139 Closed
R30
1K
SB118 Closed
SB8 Open
SB9 Open
R73 100K
VDD
SB152 Open
SB142 Open
BOOT1
R73 only fitted on F2 & F4 Series
C21
4.7uF_X5R_0603
VDD
SB127
SB180 Open
Usr_But
Usr_But
1 2
LD2 Blue
C35 and C36 value can change based on the STM32
SB149:Default closed
Open for L496ZG
All manuals and user guides at all-guides.com

Table of Contents

Related product manuals