EasyManua.ls Logo

STA-RITE LT Series - Installation

STA-RITE LT Series
16 pages
Print Icon
To Next Page IconTo Next Page
To Next Page IconTo Next Page
To Previous Page IconTo Previous Page
To Previous Page IconTo Previous Page
Loading...
4
INSTALLATION
Only qualified, licensed personnel should install pump and wiring.
Pump mount must:
Be solid - Level - Rigid - Vibration free. (To reduce vibration and pipe stress,
bolt pump to mount.)
Allow pump suction inlet height to be as close to water level as possible.
Allow use of short, direct suction pipe (To reduce friction losses).
Allow for gate valves in suction and discharge piping.
Have adequate floor drainage to prevent flooding.
Be protected from excess moisture.
Allow adequate access for servicing pump and piping.
NOTICE: Use Teflon tape or Plasto-Joint Stik
1
for making all threaded
connections to the pump. Do not use pipe dope; pipe dope will cause stress
cracking in the pump.
NOTICE: Pump suction and discharge connections have molded in thread
stops. DO NOT try to screw pipe in beyond these stops.
Teflon Taping Instructions:
Use only new or clean PVC pipe fittings.
Wrap male pipe threads with one to two layers of Teflon tape. Cover entire
threaded portion of pipe.
Do not overtighten or tighten past thread stop in pump port!
If leaks occur, remove pipe, clean off old tape, rewrap with one to two addi-
tional layers of tape and remake the connection.
NOTICE: Support all piping connected with pump!
1
Lake Chemical Co., Chicago, Illinois
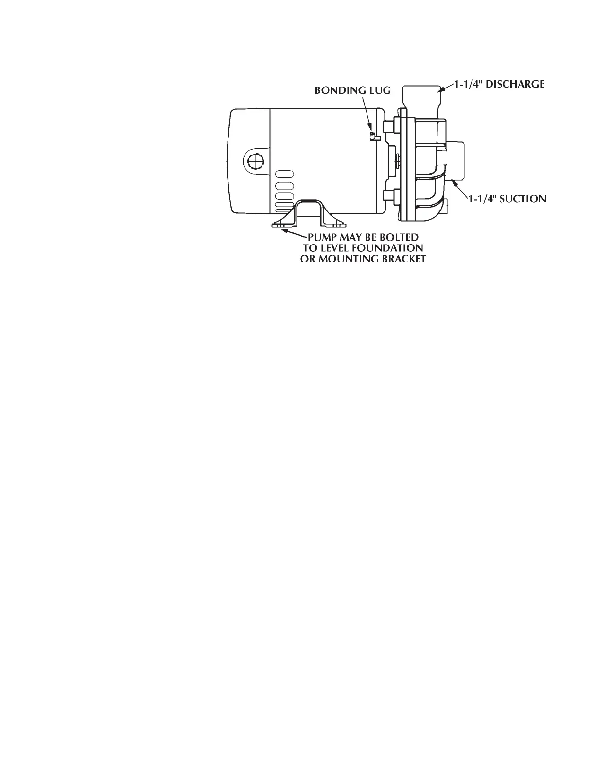
FIGURE 1

Related product manuals