EasyManua.ls Logo

Static Power iSTS W - Line Diagram: 3 Phases, Neutral Available and Not Switched; Line Diagram: 3 Phases, Neutral Switched

Default Icon
30 pages
Print Icon
To Next Page IconTo Next Page
To Next Page IconTo Next Page
To Previous Page IconTo Previous Page
To Previous Page IconTo Previous Page
Loading...
iSTS W
User Manual
Page 6
iSTS W
2
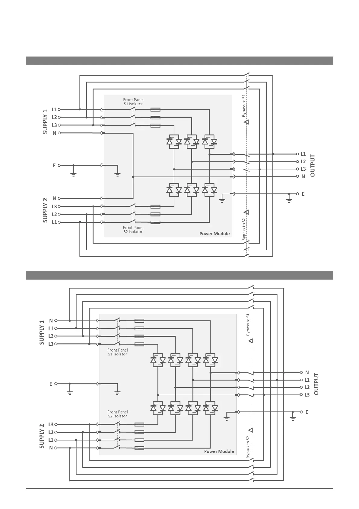
.6 Line Diagram: 3 Phases, Neutral switched
2
.5 Line Diagram: 3 Phases, Neutral available and not switched