EasyManua.ls Logo

stellar labs Model 28000 - Optional Load Sensor Base - PN 67062

Default Icon
58 pages
Print Icon
To Next Page IconTo Next Page
To Next Page IconTo Next Page
To Previous Page IconTo Previous Page
To Previous Page IconTo Previous Page
Loading...
 28000 Owner’s Manual
PN 67062
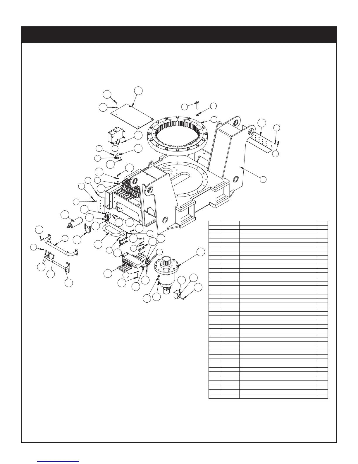
esaBNOITPIRCSEDTRAPMETI
100082 ESAB686841
100032 GNIRAEB ELBATNRUT174812
3 18041 WASHER 0.88 SAE FLAT YELLOW GR916
4 17962 CAP SCR 0.88-9X4.50 HHGR9 ZY16
100032 GTM HCTIWS ETALPCP633145
6 0479 CAP SCR 0.25-20X0.75 HHGR56
24TALF 52.0 REHSAW04307
100032 BV DRAUGCP480148
7COLYN HH 81-13.0 TUN24309
81CNIZ TALF SSU 13.0 REHSAW343001
11 0485 CAP SCR 0.31-18X1.25 HHGR54
100082 RAB CINAP POTS-E1292221
100032 CINAP RAB2801431
14 22183 CAP SCR #8-32X0.75 BTNHD SS2
15 0488 CAP SCR 0.31-18X2.00 HHGR52
16 C6219 WASHER 0.75 SAE FLAT YELLOW GR812
17 C1028 CAP SCR 0.75-10X3.00 HHGR8 ZY12
18 22935VALVE BLOCK CBCA-LAN-XTS1
19 5591WASHER 0.31 SAE FLAT YELLOW GR84
20 C0930 CAP SCR 0.31-18X3.00 HHGR54
21 67063 VB 5 SECT 2800 OUTRIGGER W/ CC PLUG1
100032 AGNIZ RETLIF8331422
100032 RETLIF AGNIZ PMALC9331432
24 0420 CAP SCR 0.31-18X0.75 HHGR54
200032 TNM BV TEKCARBCP9704452
26 0482 CAP SCR 0.25-20 X 3.00 HHGR54
51COLYN 5RGHH 02-52.0 TUN333072
28 0480 CAP SCR 0.25-20X1.00 HHGR58
100032 BV GIRTUO DRAUG1154492
2SS TALF 91.0 REHSAW5812203
2SS COLYN HH 23-8# TUN6812213
32 C0922 CAP SCR 0.31-18X1.00 HHGR53
33 47425 CAP SCR 6MMX20MM HH CLASS 8.8 4
34 44078PC BRACKET VB MNT BASE 230002
100032 REVOC ETALPCP7331453
36 36243PC PLATE SWITCH MTG 28000 CRANE1
37 0437 CAP SCR 0.25-20X1.25 HHGR52
38 67059 VB 7 SECT DANFOSS PVG32 CC LOAD SENSE1
41 12869STRAIN RELIEF .50 NPT .24-.47 CABLE1
42 60505 GEAR BOX W/MOTOR 23/280001
37
2
35
42
16
17
18
20
5
7
6
12
14
8
11
13
15
9
19
1
23
22
38
21
10
24
3
4
32
10
9
29
6
30
31
7
27
7
26
10
25
28
27
36
27
6
33
7
34
28
7
39
7
7
7
2) 5 SECTION VALVE BANK IS MAKE ITEM TO
INSERT PLUG. SEE P/N 67063 DRAWING FOR
DETAILS.
9
NOTES:
1) RADIO RECEIVER AND ALARM SHOWN
FOR REFERNECE
41
Optional Load Sensor Base - PN 67062

Related product manuals