EasyManua.ls Logo

stellar labs Model 28000 - Hydraulic Kit - PN 48690

Default Icon
58 pages
Print Icon
To Next Page IconTo Next Page
To Next Page IconTo Next Page
To Previous Page IconTo Previous Page
To Previous Page IconTo Previous Page
Loading...
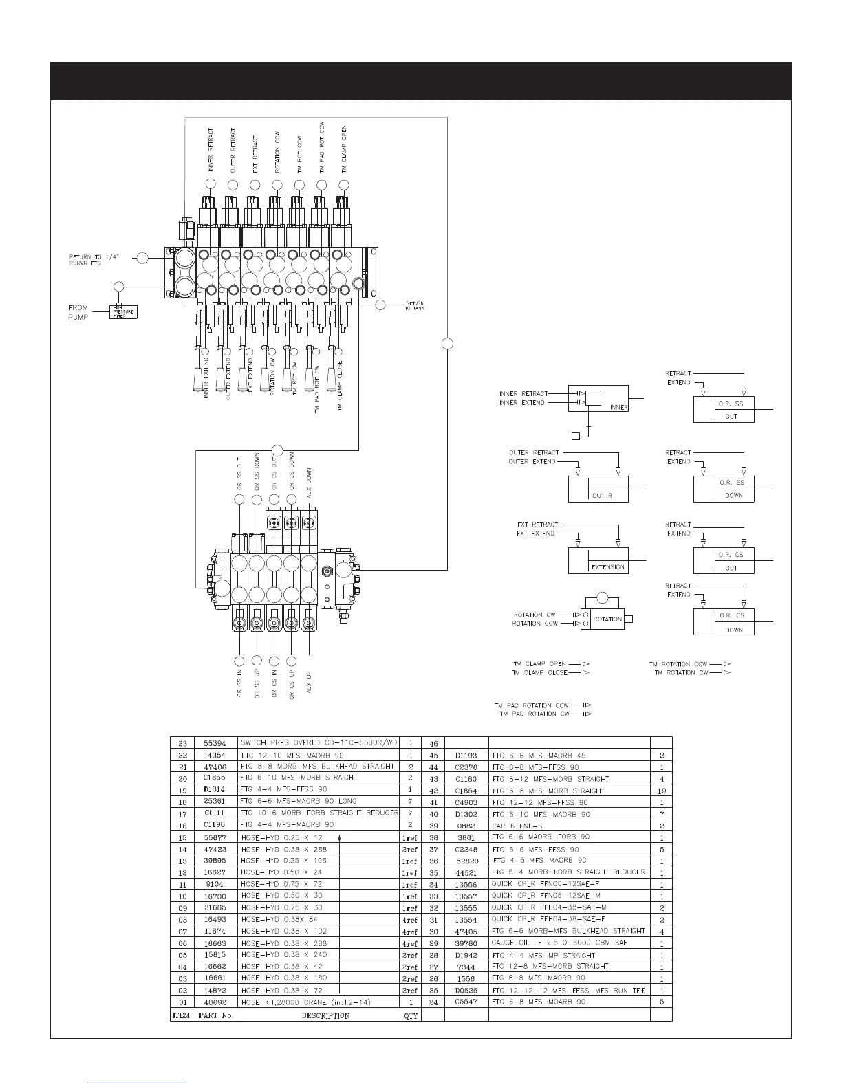
Hydraulics - Electrical 
17,18
40 40 40 40 40 40 40
43
43
43
43,44
37,42 37,42 37,42 37,42
37,39
42
24 24 24 24 24,39
27
26
22
25
11
14664
5
5
2
2 3
5 46 614
8
7
87
8
7
87
28
13
12
42
42
42
42
42
42
42
42
42
42
42
42
23
38
42
42
20,45
20,45
21,33
21,34
30,32
30,31
30,32
30,31
19,36
29,35
TO
10
9
41
17,18 17,18 17,18 17,18 17,18 17,18
15
16 16
Hydraulic Kit - PN 48690

Related product manuals