EasyManua.ls Logo

Strand Lighting Wallrack - Address Configuration

Strand Lighting Wallrack
27 pages
Print Icon
To Next Page IconTo Next Page
To Next Page IconTo Next Page
To Previous Page IconTo Previous Page
To Previous Page IconTo Previous Page
Loading...
Wallrack User Manual
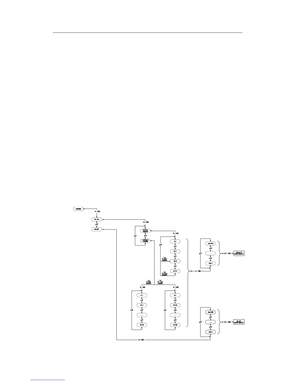
Address
Press Down button three times to get to the Address menu. Press Right
button to enter.
Use Up/Down buttons to select either the Start Address or Patch. Press
Right button to enter.
For Patch, use Up/Down buttons to select either Mux Patch or Analogue
Patch. Press Right button to enter.
The Mux Patch allows you to patch dimmers (24 ways: 1- 24, 6 ways: 1-6).
Use the Up/Down buttons to select ALL or individual dimmers. Press
Right button to enter. Use Up/Down to select DMX Address 1- 512.
Repeat as necessary to set the address on other dimmers.
Press OK to confirm changes, press again to save or press Esc to exit
without saving any changes.
The Analogue Patch allows you to patch 0-10v analogue outputs (24
ways: 25- 30, 6 ways: 7-12). Use the Up/Down buttons to select ALL or
individual outputs. Press Right button to enter. Use Up/Down to select
DMX Address 1- 512. Repeat as necessary to set the address on other
analogue outputs.
Press OK to confirm changes, press again to save or press Esc to exit
without saving any changes.
For Start Address, use Up/Down buttons to select the start DMX address
of 1-512.
Press OK to confirm changes, press again to save or press Esc to exit
without saving any changes.
.
User Manual v1.2 March 2006 16

Other manuals for Strand Lighting Wallrack