EasyManua.ls Logo

Stryker 1550 - Litter Assembly

Stryker 1550
132 pages
Print Icon
To Next Page IconTo Next Page
To Next Page IconTo Next Page
To Previous Page IconTo Previous Page
To Previous Page IconTo Previous Page
Loading...
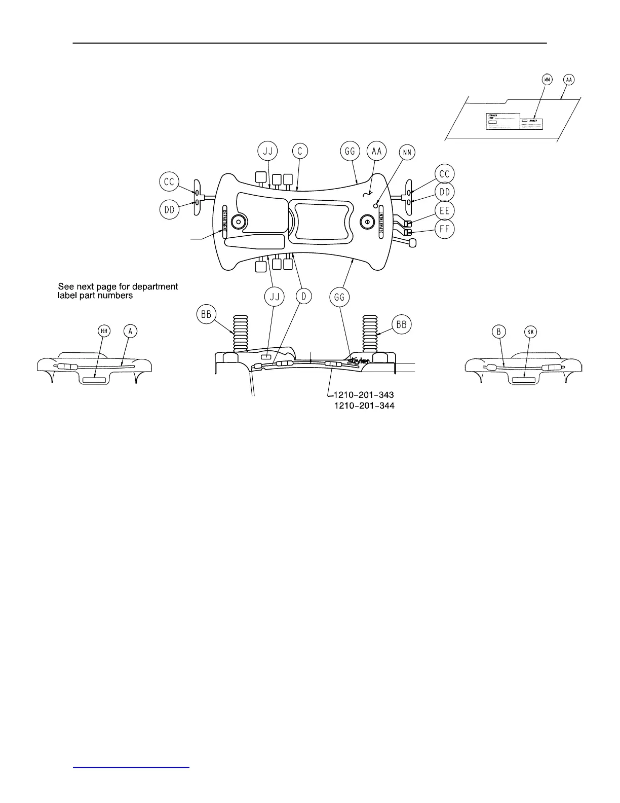
3Sided Foot End Control Base Labeling Assembly
80
Assembly part number 1550445101 (reference only)
Item Part No. Part Name Qty.
AA 1550445102 Base Hood 1
BB 155010134 Bellows 2
CC 1210201335 Red Brake Label 2
DD 1210201336 Green Steer Label 2
EE 1210201337 Head Down Label, Foot End 1
FF 1210201338 Foot Down Label, Foot End 1
GG 94620160 Stryker Logo Label 4
HH 1550901 Grounding Caution Label 1
JJ 1550903 Synergy Series Logo Label 2
KK 15509013 Electric Shock Caution Label 1
MM 15509018 Explosion Danger Label 1
NN 3066 Heyco Snap 2126 Bushing 1
Back to Table of Contents

Table of Contents

Other manuals for Stryker 1550

Related product manuals