EasyManua.ls Logo

Stryker 1550 - Quick Drop Assembly, Fowler Only

Stryker 1550
132 pages
Print Icon
To Next Page IconTo Next Page
To Next Page IconTo Next Page
To Previous Page IconTo Previous Page
To Previous Page IconTo Previous Page
Loading...
94
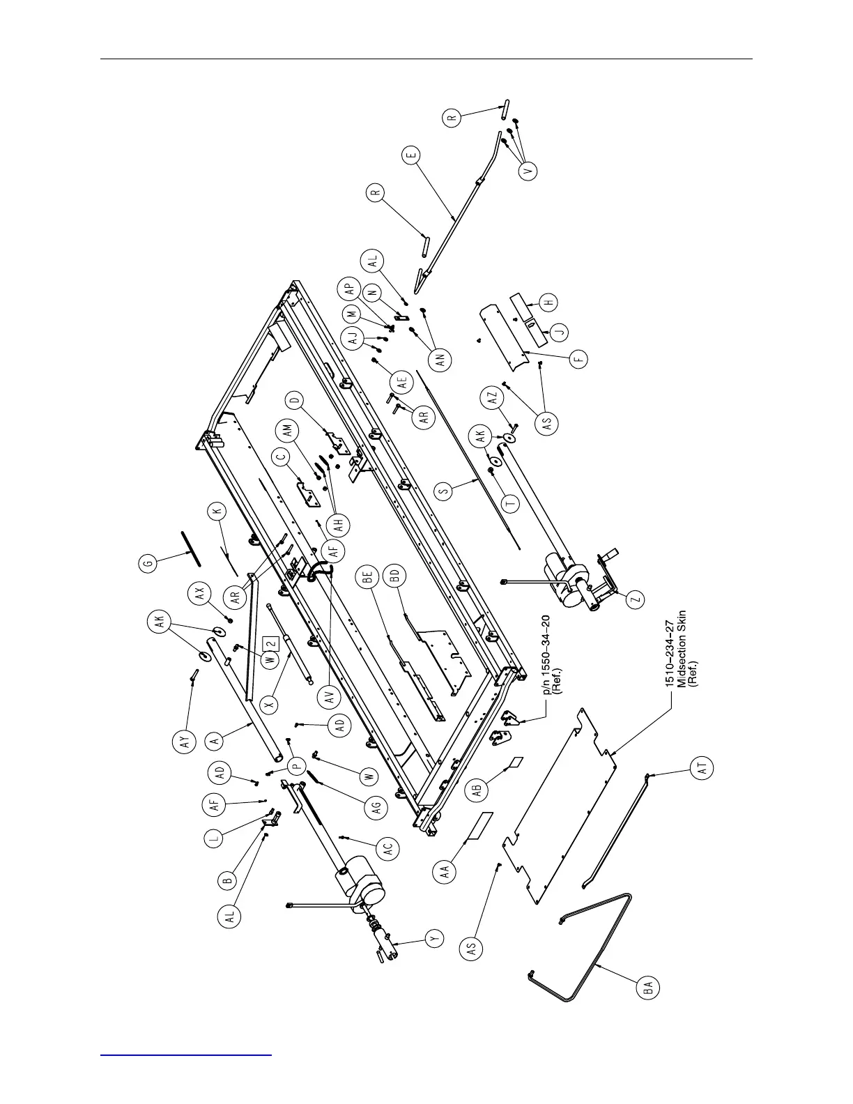
Fowler Only Quick Drop Assembly
Assembly part numbers
15503710
(reference only)
Return to Table of Contents

Table of Contents

Other manuals for Stryker 1550

Related product manuals