EasyManua.ls Logo

Stryker GOLD - Page 71

Stryker GOLD
112 pages
Print Icon
To Next Page IconTo Next Page
To Next Page IconTo Next Page
To Previous Page IconTo Previous Page
To Previous Page IconTo Previous Page
Loading...
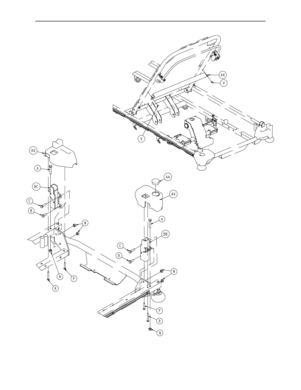
26” Litter Assembly with Scale System
70