EasyManua.ls Logo

Sub-Zero 315I - Model 3151 Wiring Diagram

Sub-Zero 315I
66 pages
Print Icon
To Next Page IconTo Next Page
To Next Page IconTo Next Page
To Previous Page IconTo Previous Page
To Previous Page IconTo Previous Page
Loading...
Wiring Diagrams/Schematics
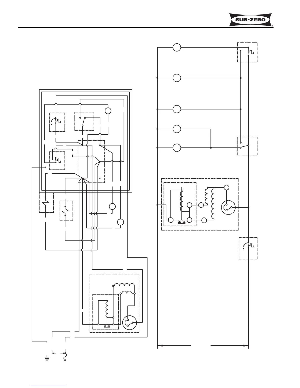
Model 315I (UC Ice Maker)
9-2
#3757320 - Revision B - August, 2005
WATER
SOLENOID
HOT GAS
SOLENOID
SPRAY PUMP
MOTOR
FAN
MOTOR
CUBE SIZE
CONTROL
BIN
LEVEL
CONTROL
TERMINAL
BOARD
CAM
SWITCH
TIMER
TIM
ER
MOTOR
RELAY - CURRENT
OVERLOAD
COMPRESSOR
NEUTRAL
LINE
115 / 60 / 1
CIRCUIT
SCHEMATIC
BIN LEVEL
CONTROL
TIMER
SWITCH
CUBE SIZE
CONTROL
SPRAY
PUMP
MOTOR
FAN
MOTOR
WATER
SOLENOID
HOT GAS
SOLENOID
OVERLOAD
RELAY -
CURRENT
COMPRESSOR
TIMER
MOTOR
BK
W
W
1
S
M
1
3
R
BK
BK
BK
BK
2
3
1
BU
L02
L01 L03
L04
L05
BK
BK
BK BK
BU
BU
R
R
R
O
OFF ON
NC
NO
COMM
BU
L03
L04
L05
L02 L02 L02 L02 L02
L03
L04
1
S
S
M
R
C
OFF ON
1
3
NC
COMM
NO
1
2
3
NEUTRAL
115 / 60 / 1
LINE
GROUND
L05
Model 315I Wiring Diagram and Schematic

Table of Contents

Other manuals for Sub-Zero 315I

Related product manuals