EasyManua.ls Logo

Sullair 175 - 4 B Control System with Piping and Instrumentation - 185 H Models

Sullair 175
100 pages
Print Icon
To Next Page IconTo Next Page
To Next Page IconTo Next Page
To Previous Page IconTo Previous Page
To Previous Page IconTo Previous Page
Loading...
Section 2
DESCRIPTION
13
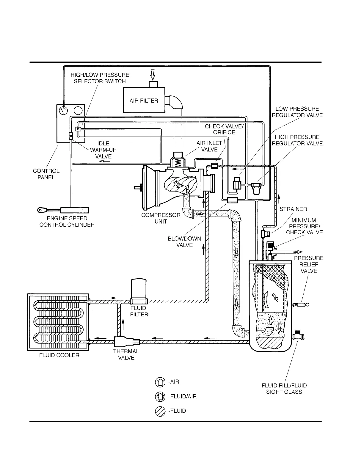
Figure 2 ---4B Control System with Piping and Instrumentation --- 185H Models

Table of Contents

Related product manuals