EasyManua.ls Logo

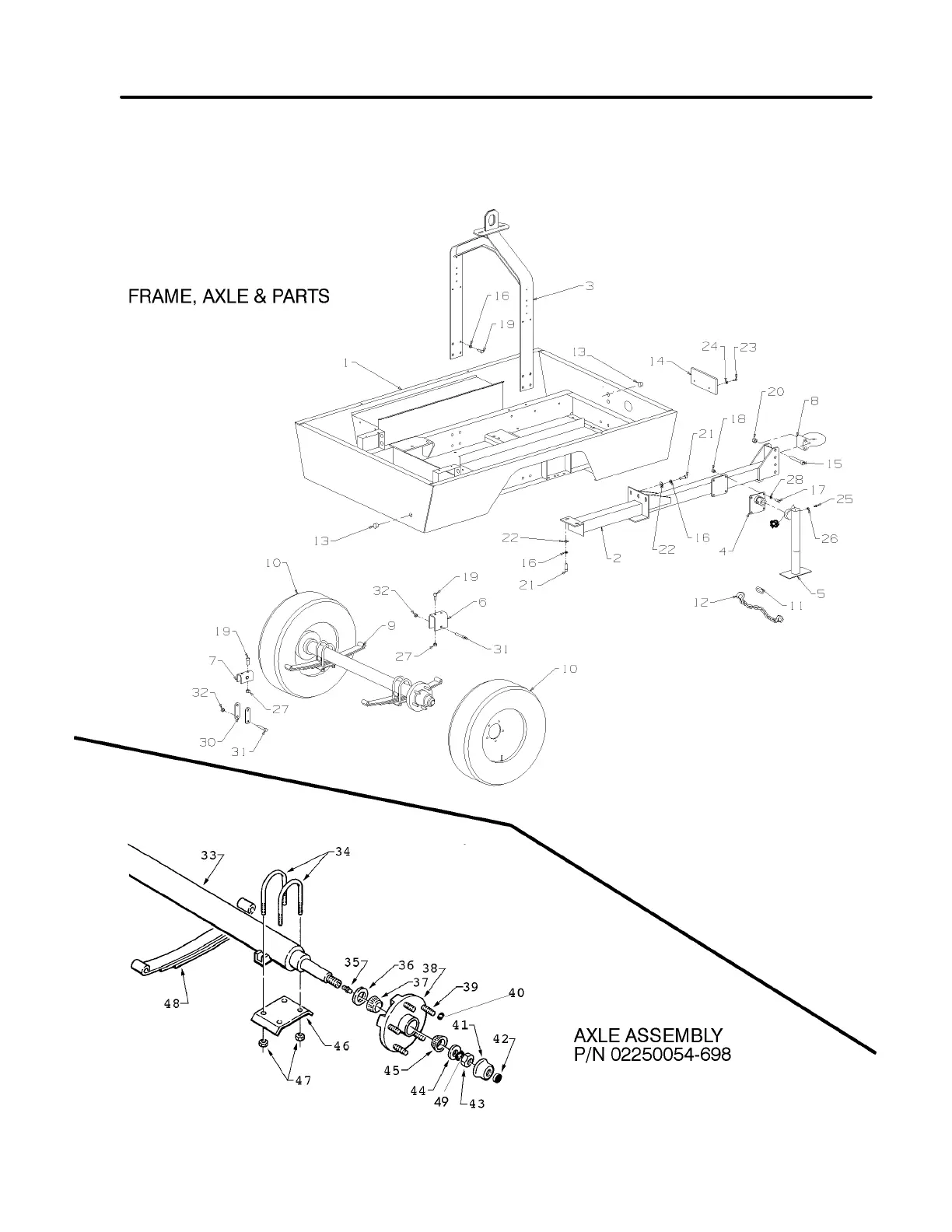
Sullair 175 - 7.5 FRAME, AXLE & PARTS & AXLE ASSEMBLY ALL MODELS

Sullair 175
100 pages
Print Icon
To Next Page IconTo Next Page
To Next Page IconTo Next Page
To Previous Page IconTo Previous Page
To Previous Page IconTo Previous Page
Loading...
Section 7
ILLUSTRATIONS AND PARTS LIST
54
7.5 FRAME, AXLE & PARTS & AXLE ASSEMBLY (Exploded View) -- ALL MODELS

Table of Contents

Related product manuals