EasyManua.ls Logo

Sullair 175 - Page 50

Sullair 175
100 pages
Print Icon
To Next Page IconTo Next Page
To Next Page IconTo Next Page
To Previous Page IconTo Previous Page
To Previous Page IconTo Previous Page
Loading...
Section 7
ILLUSTRATIONS AND PARTS LIST
44
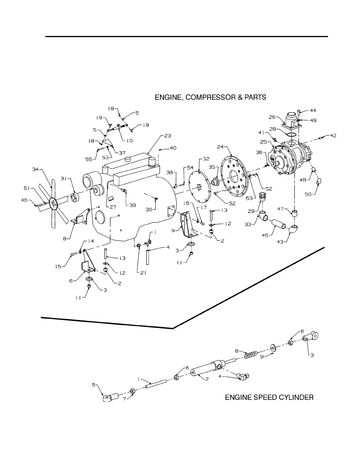
7.3C ENGINE, COMPRESSOR A ND PARTS & SPEED CYLINDER ASSEMBLY -- 185H MODELS

Table of Contents

Related product manuals