EasyManua.ls Logo

SunFounder 3in1 Kit - Page 168

Default Icon
351 pages
Print Icon
To Next Page IconTo Next Page
To Next Page IconTo Next Page
To Previous Page IconTo Previous Page
To Previous Page IconTo Previous Page
Loading...
SunFounder 3in1 Kit
COMPONENT INTRODUCTION PURCHASE LINK
Arduino Uno R4 Minima -
Breadboard
Jumper Wires
Resistor
7-segment Display
74HC595
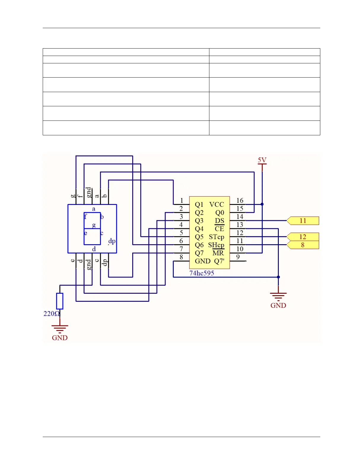
Schematic
Wiring
164 Chapter 4. Basic Projects

Related product manuals