EasyManua.ls Logo

SunFounder 3in1 Kit - Page 52

Default Icon
351 pages
Print Icon
To Next Page IconTo Next Page
To Next Page IconTo Next Page
To Previous Page IconTo Previous Page
To Previous Page IconTo Previous Page
Loading...
SunFounder 3in1 Kit
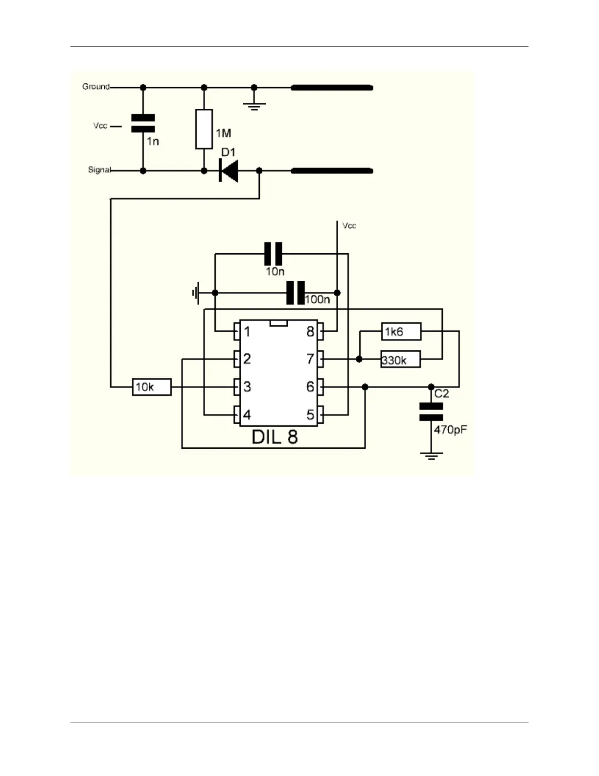
There is a fixed frequency oscillator, which is built with a 555 timer IC. The generated square wave is then fed to the
sensor like a capacitor. However, for the square wave signal, the capacitor has a certain reactance or, for the sake of
argument, a resistor with a pure ohmic resistor (10k resistor on pin 3) to form a voltage divider.
The higher the soil moisture, the higher the capacitance of the sensor. As a result, the square wave has less reactance,
which reduces the voltage on the signal line, and the smaller the value of the analog input through the microcontroller.
Specification
Operating Voltage: 3.3 ~ 5.5 VDC
Output Voltage: 0 ~ 3.0VDC
Operating Current: 5mA
Interface: PH2.0-3P
Dimensions: 3.86 x 0.905 inches (L x W)
Weight: 15g
Example
4.4 Measure Soil Moisture (Basic Project)
48 Chapter 1. Components List and Introduction

Related product manuals