EasyManua.ls Logo

SycoTec easyDive 4425 - Wiring Diagram

SycoTec easyDive 4425
60 pages
Print Icon
To Next Page IconTo Next Page
To Next Page IconTo Next Page
To Previous Page IconTo Previous Page
To Previous Page IconTo Previous Page
Loading...
EN
19
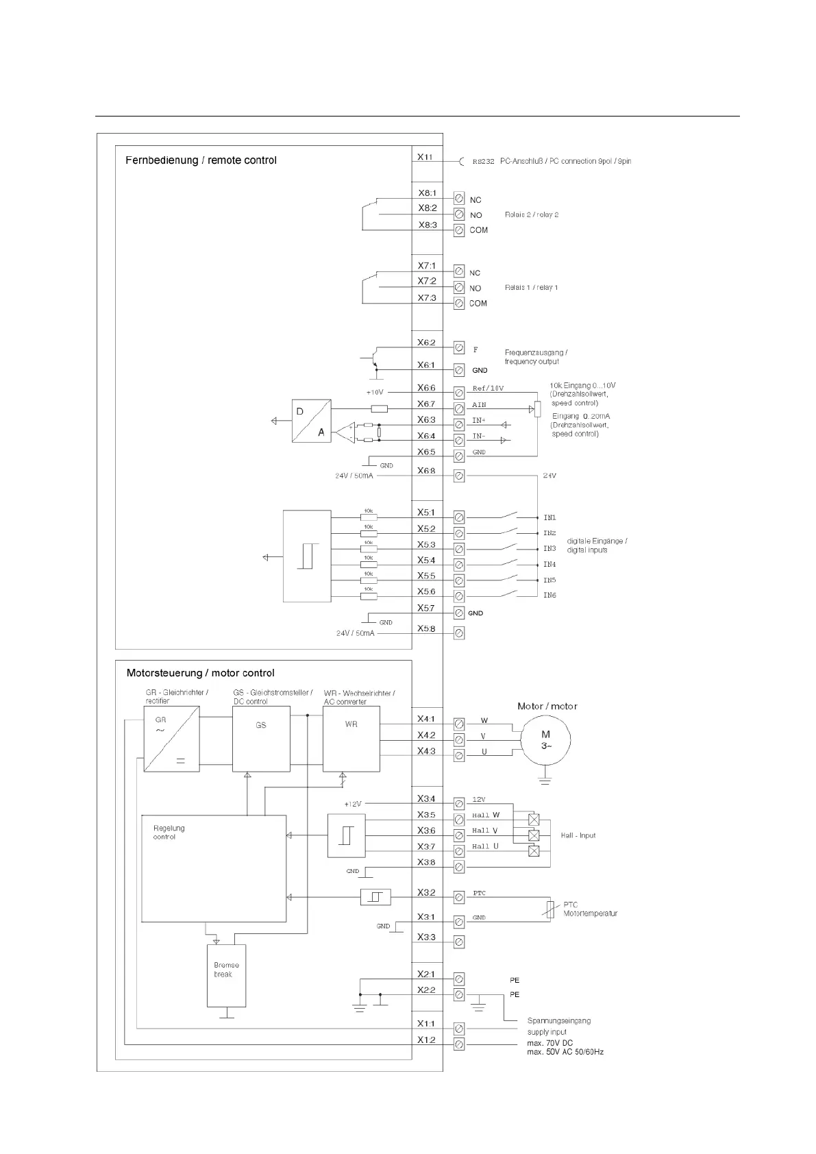
4.9 Wiring Diagram

Table of Contents

Related product manuals