EasyManua.ls Logo

Sym HD2 200 - Battery; Charging System

Sym HD2 200
273 pages
Print Icon
To Next Page IconTo Next Page
To Next Page IconTo Next Page
To Previous Page IconTo Previous Page
To Previous Page IconTo Previous Page
Loading...
18. ELECTRICAL SYSTEM
18-5
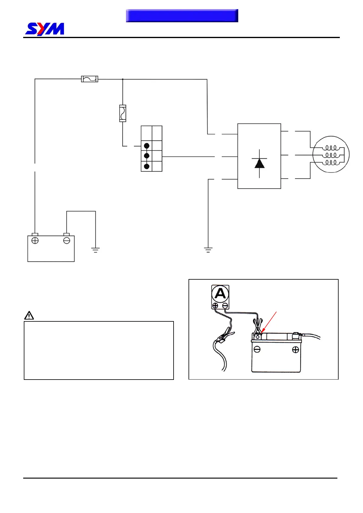
Charging System
Charging circuit
Current Leakage Inspection
Turn the main switch to OFF position, and remove
the negative cable terminal (-) from the battery.
Connect an ammeter between the negative cable
terminal and the battery negative terminal.
Caution
y In the current leakage test, set the current
range at the largest scale, then gradually
decrease to the lower scale as the test
process goes to avoid possible damage to
the ammeter and the fuse.
y Do not turn the main switch to ON position
during test.
If the leaked current exceeds the specified value, it
may indicate a short circuit.
Allowable current leakage: Less than 5mA
Disconnect each cable one by one and take
measurement of the current of each cable to
locate the short circuit.
Battery negative terminal
To this chapter contents
AC Generator
Y
Y
Y
Regulator
rectifier
R
B
R
Main switch
ON
OFF
Fuse 20A
Fuse 20A
Battery
R
G

Table of Contents

Related product manuals