EasyManua.ls Logo

Talsa F14s - 12 Elektrische Schema´s; Elektrische Schema 3-Fase Motoren

Talsa F14s
163 pages
Print Icon
To Next Page IconTo Next Page
To Next Page IconTo Next Page
To Previous Page IconTo Previous Page
To Previous Page IconTo Previous Page
Loading...
HYDRAULISCHE STOPMACHINE F14/25/35/50 HANDLEIDING VOOR INSTALLATIE EN GEBRUIK
© Talsabell s.a. All rights reserved. NL - 29 V-1.3 laatste herziening: 07/2018
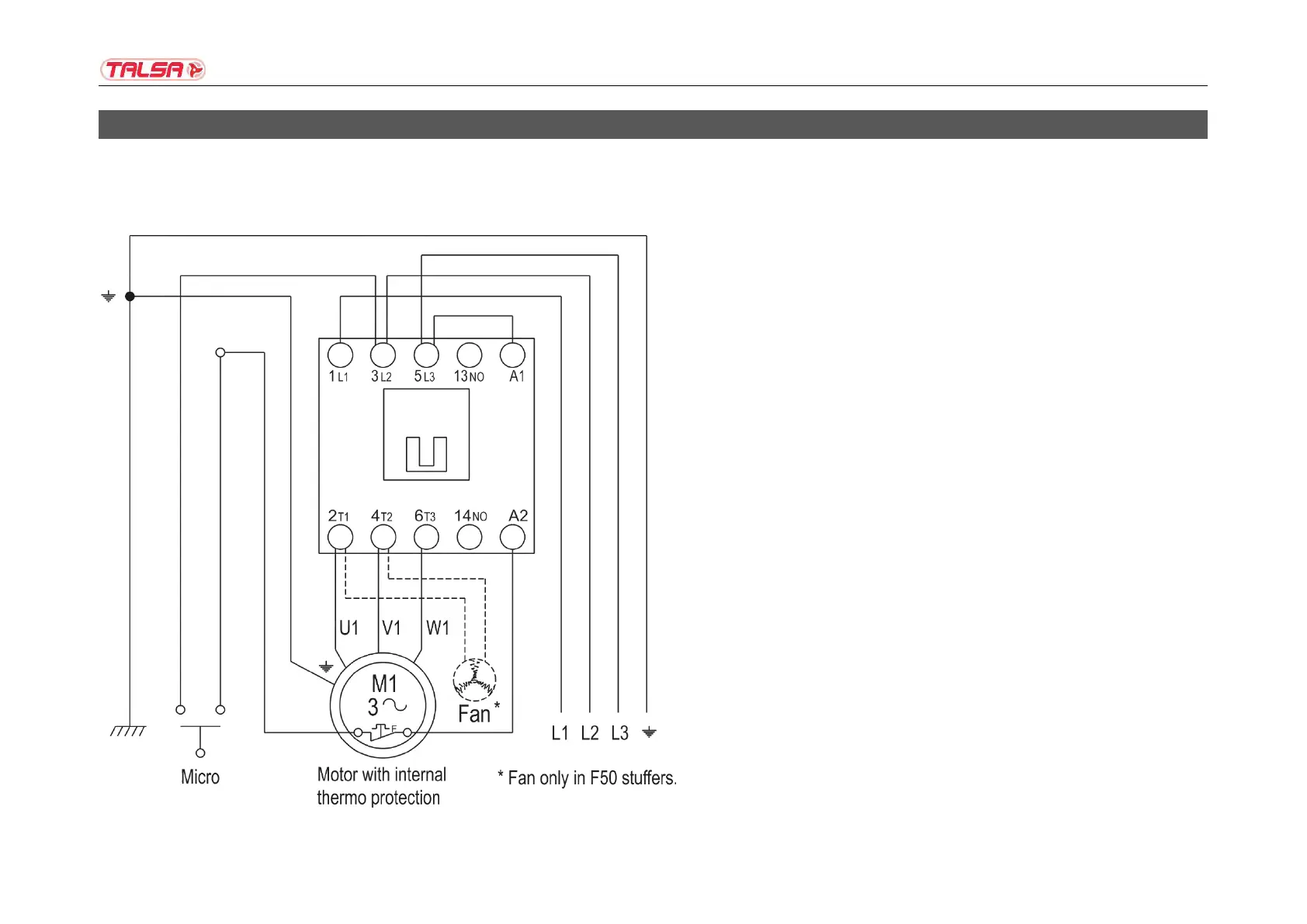
12. Elektrische Schema´s
12.1 Elektrische schema 3-fase motoren
400/230V of 208/220V motoren, 50/60Hz

Table of Contents

Related product manuals