EasyManua.ls Logo

Talsa F14s - 12 Esquemas Eléctricos; Esquema Eléctrico Motores Trifásicos

Talsa F14s
163 pages
Print Icon
To Next Page IconTo Next Page
To Next Page IconTo Next Page
To Previous Page IconTo Previous Page
To Previous Page IconTo Previous Page
Loading...
EMBUTIDORAS HIDRÁULICAS DE PISTÓN F14/25/35/50 MANUAL DE INSTALACIÓN Y UTILIZACIÓN
© Talsabell s.a. All rights reserved. ES - 29 V-1.3 Última revisión: 07/2018
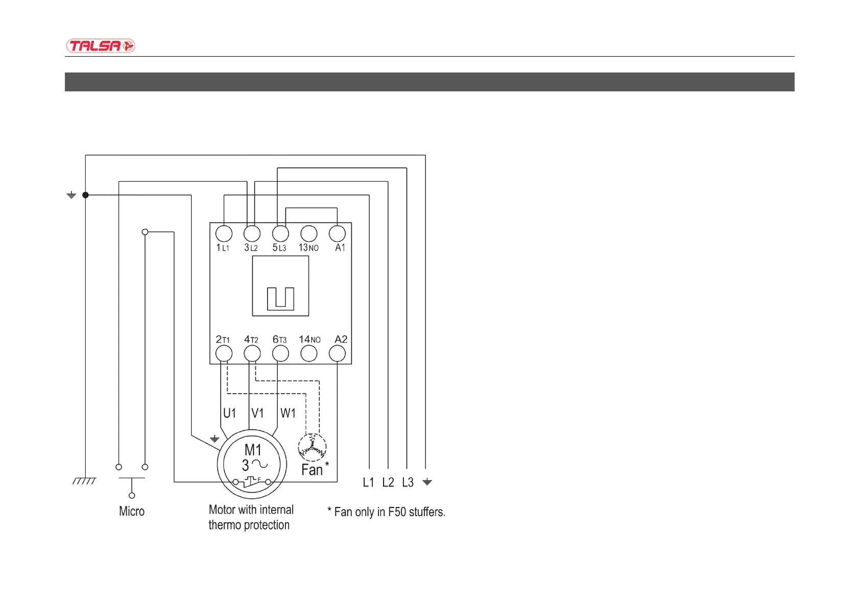
12. Esquemas eléctricos
12.1 Esquema eléctrico motores trifásicos
Motores 400/230V o 208/220V, 50/60Hz

Table of Contents

Related product manuals