EasyManua.ls Logo

Talsa F14s - 12 Electric Diagrams; Electric Diagram 3-Phase Motors

Talsa F14s
163 pages
Print Icon
To Next Page IconTo Next Page
To Next Page IconTo Next Page
To Previous Page IconTo Previous Page
To Previous Page IconTo Previous Page
Loading...
HYDRAULIC PISTON FILLERS F14/25/35/50 INSTALLATION AND OPERATING MANUAL
© Talsabell s.a. All rights reserved. EN - 29 V-1.3 last revision: 07/2018
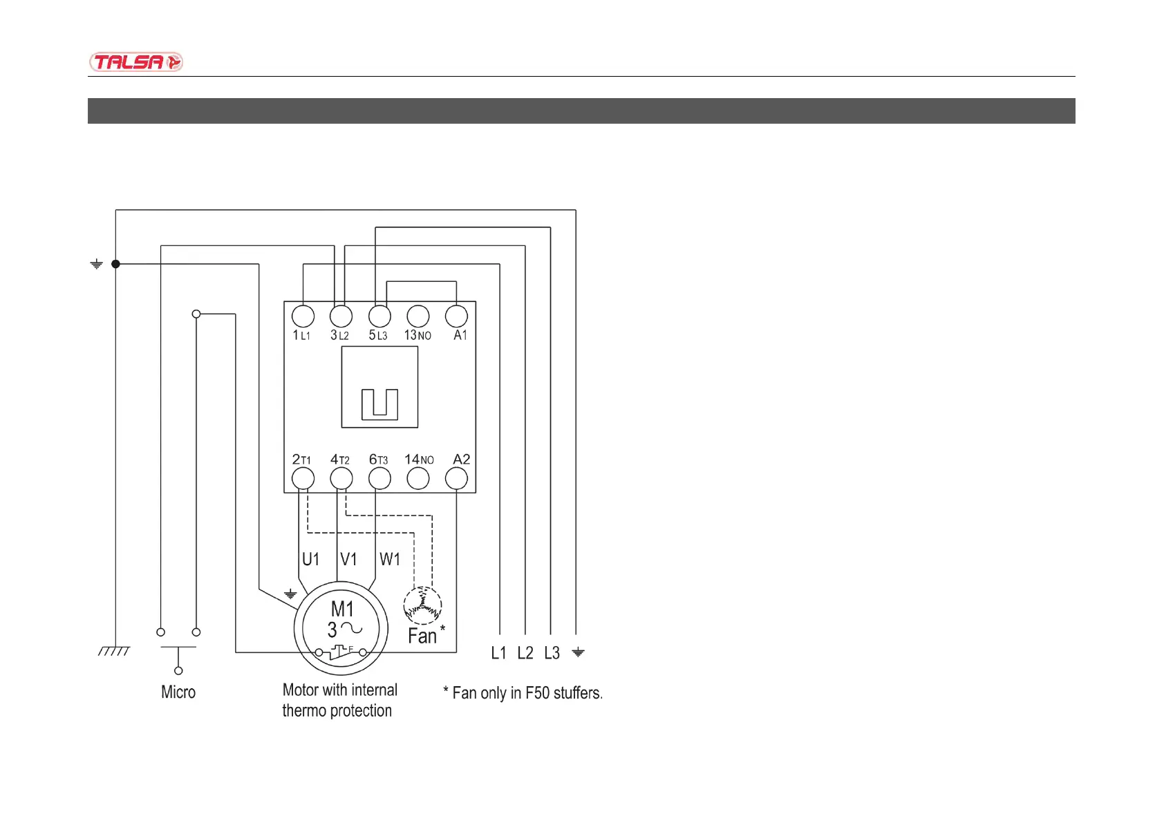
12. Electric diagrams
12.1 Electric diagram 3-phase motors
400/230V or 208/220V motors, 50/60Hz

Table of Contents

Related product manuals