EasyManua.ls Logo

TDK-Lambda HWS 3000G - Page 19

TDK-Lambda HWS 3000G
49 pages
Print Icon
To Next Page IconTo Next Page
To Next Page IconTo Next Page
To Previous Page IconTo Previous Page
To Previous Page IconTo Previous Page
Loading...
INSTRUCTION MANUAL
HWS 3000G
TDK-Lambda
<Page>
19/49
TOPTOP
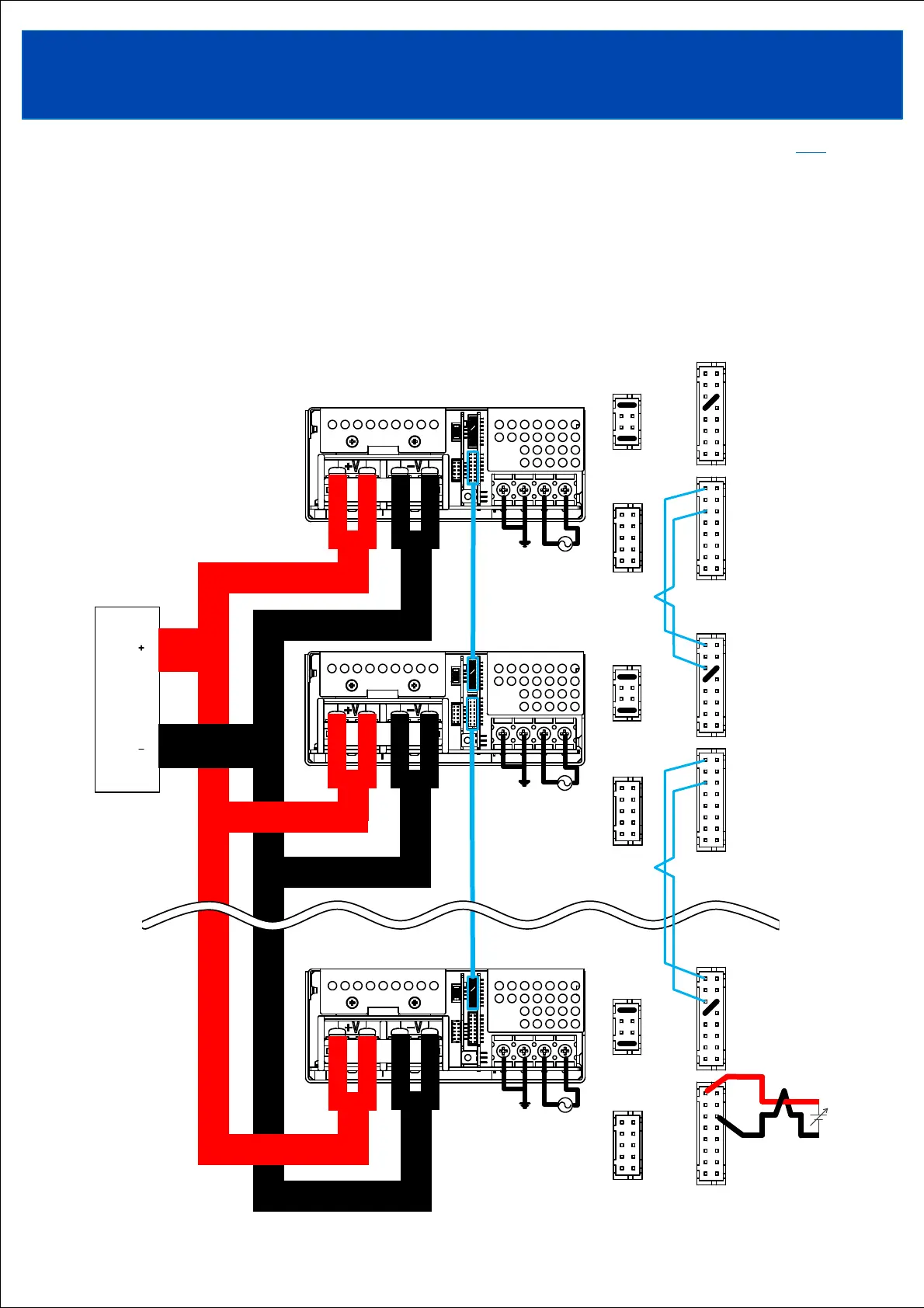
3-2-5. Parallel operation: When using constant current output mode
Connect the CC terminals in a daisy chain and apply an external voltage to the CC terminals.
Connect between the CC terminals (pin No. 15 of CN41 or CN42) and the AG terminals (pin No. 11 or pin
No. 12 of CN41 or CN42) of all power supplies operating in parallel. Apply an external voltage between the
CC and AG terminals.
The wires between CC and AG terminals should be the same length and as short as possible, and twisted or
shielded wires should be used.
Make sure that the load wires from each power supply are the same size and length.
Load
1
2
3
4
5
6
7
8
CN61
CN42
1
2
3
4
5
6
7
8
9
10
11
12
13
14
15
16
1
2
3
4
5
6
7
8
9
10
CN71
1
2
3
4
5
6
7
8
9
10
11
12
13
14
15
16
CN41
1
2
3
4
5
6
7
8
CN61
CN42
1
2
3
4
5
6
7
8
9
10
11
12
13
14
15
16
1
2
3
4
5
6
7
8
9
10
CN71
1
2
3
4
5
6
7
8
9
10
11
12
13
14
15
16
CN41
1
2
3
4
5
6
7
8
CN61
CN42
1
2
3
4
5
6
7
8
9
10
11
12
13
14
15
16
1
2
3
4
5
6
7
8
9
10
CN71
1
2
3
4
5
6
7
8
9
10
11
12
13
14
15
16
CN41
1st unit
2nd unit
Up to 10 units

Related product manuals