EasyManua.ls Logo

Teac AG-360 - Page 15

Teac AG-360
22 pages
Print Icon
To Next Page IconTo Next Page
To Next Page IconTo Next Page
To Previous Page IconTo Previous Page
To Previous Page IconTo Previous Page
Loading...
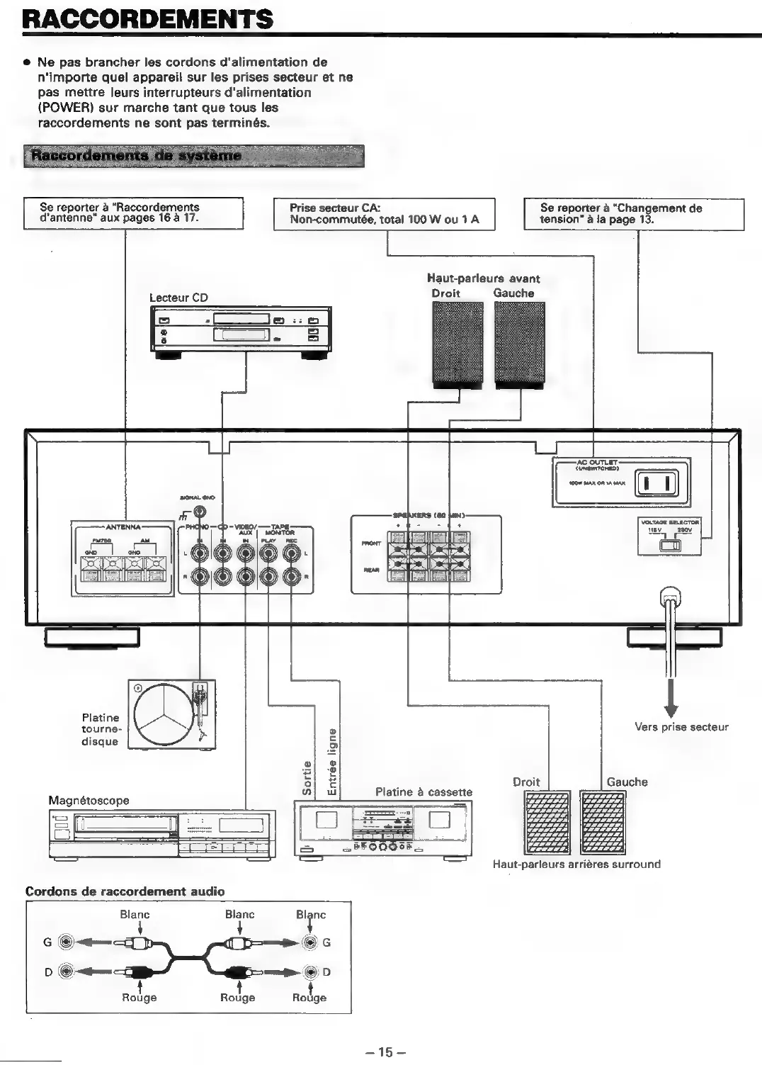
RACCORDEMENTS
@
Ne
pas
brancher
les
cordons
d'alimentation
de
n‘importe
quel
appareil
sur
les
prises
secteur
et
ne
pas
mettre
leurs
interrupteurs
d'‘alimentation
(POWER)
sur
marche
tant
que
tous
les
raccordements
ne
sont
pas
terminés.
d'antenne”
aux
pages
16
a
17.
Non-commutée,
total
100
W
ou
1A
tension”
a
la
page
13.
|
&
reporter
a
“Raccordements
Prise
secteur
CA:
[
Se
reporter
a
“Changement
de
Haut-parleurs
avant
Gauche
Lecteur
CD
2
tos.
|
ESTEVE)
SS
Dae
\Praad
pectsec
Daa
Fa
(EVE)
Platine
tourne-
©
Vers
prise
secteur
disque
5
o
2
Gauche
Ww
Magnétoscope
Haut-parleurs
arriéres
surround
Cordons
de
raccordement
audio
Blanc
Blanc
a
t
Bs
6
@O~—
mami
©)
G
mn
(©)
D
Rouge
sete
Rosé
—15=

Related product manuals