EasyManua.ls Logo

Tecnam P92 Echo Super - Gascolator

Tecnam P92 Echo Super
67 pages
Print Icon
To Next Page IconTo Next Page
To Next Page IconTo Next Page
To Previous Page IconTo Previous Page
To Previous Page IconTo Previous Page
Loading...
P92 Echo Super
Maintenance Manual
!
!
!
!
!
!
!
!
!
!
!
!
!
!
!
!
!
!
!
!
!
!
!
!
!
!
!
!
!
!
!
!
!
!
!
!
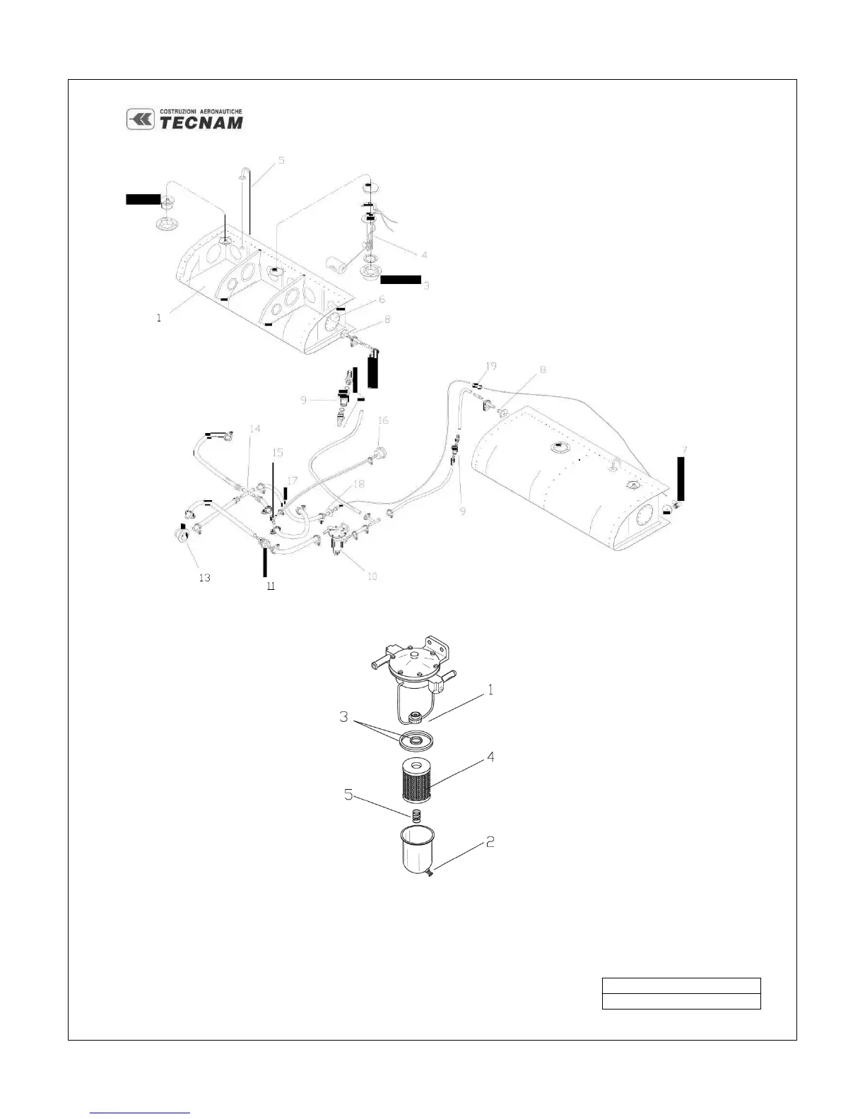
Figure 6-1 Fuel
System
!
!
Figure 6-2
Gascolator
!
!
!
!
51
Revision Date:
10-29-2007
Revision Number:
3.01

Table of Contents

Other manuals for Tecnam P92 Echo Super

Related product manuals