EasyManua.ls Logo

Teka Mistral Plus - Circuit Diagram Mistral Eco (Plus) 1,2 Kw, 110 V

Teka Mistral Plus
47 pages
Print Icon
To Next Page IconTo Next Page
To Next Page IconTo Next Page
To Previous Page IconTo Previous Page
To Previous Page IconTo Previous Page
Loading...
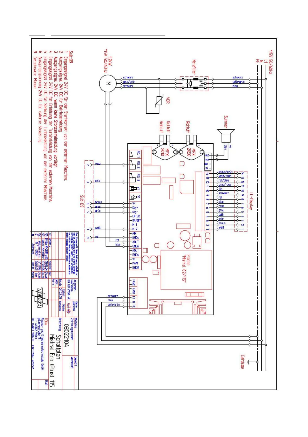
11.2.2. Circuit diagram Mistral Eco (Plus) 1,2kW, 110V
Operating Instructions Mistral (Plus), Mistral Eco (Plus), Mistral Super Plus 110 and 230V vers. 4.10 Page 42 of 47

Table of Contents

Related product manuals