EasyManua.ls Logo

Teka Mistral Plus - Circuit Diagram Mistral Super Plus 230, 2,4 Kw, 230

Teka Mistral Plus
47 pages
Print Icon
To Next Page IconTo Next Page
To Next Page IconTo Next Page
To Previous Page IconTo Previous Page
To Previous Page IconTo Previous Page
Loading...
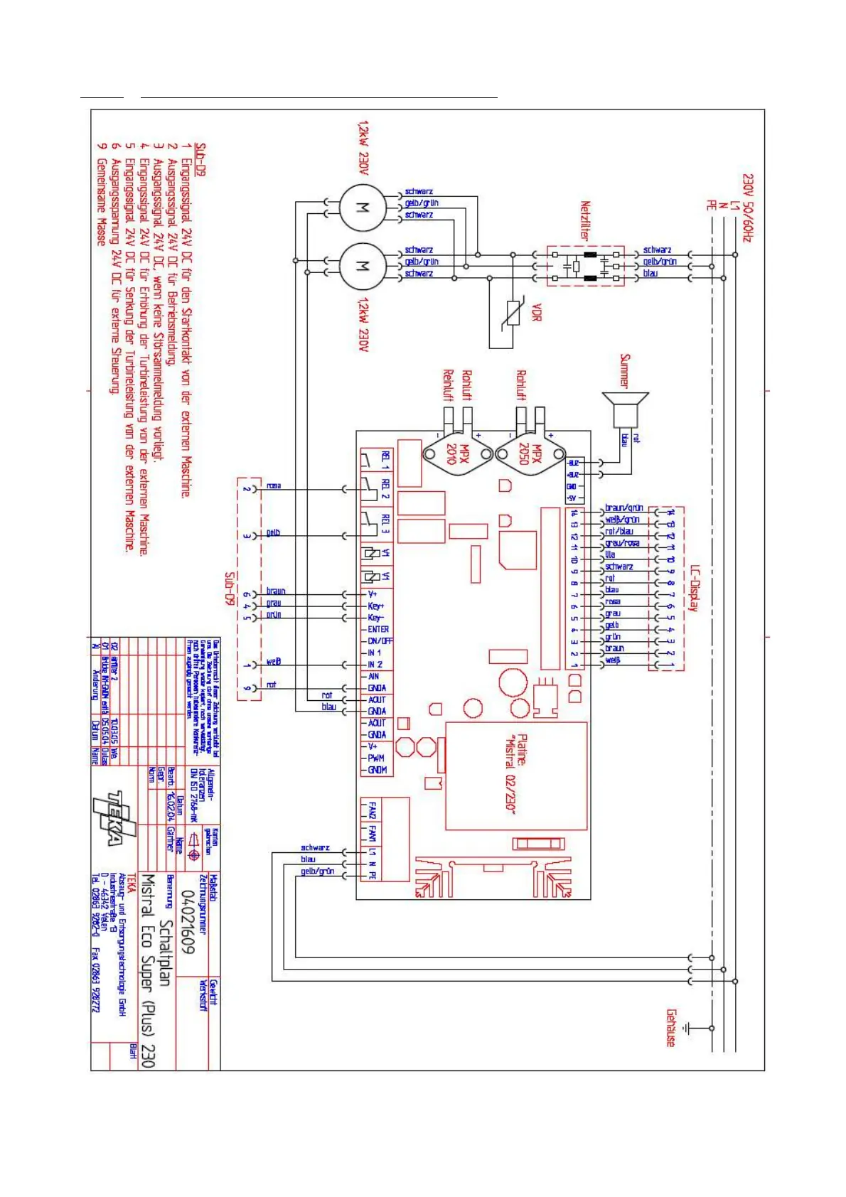
11.2.5. Circuit diagram Mistral Super Plus 230, 2,4 kW, 230 V

Table of Contents

Related product manuals