EasyManua.ls Logo

Teknoware TKT66 - Page 53

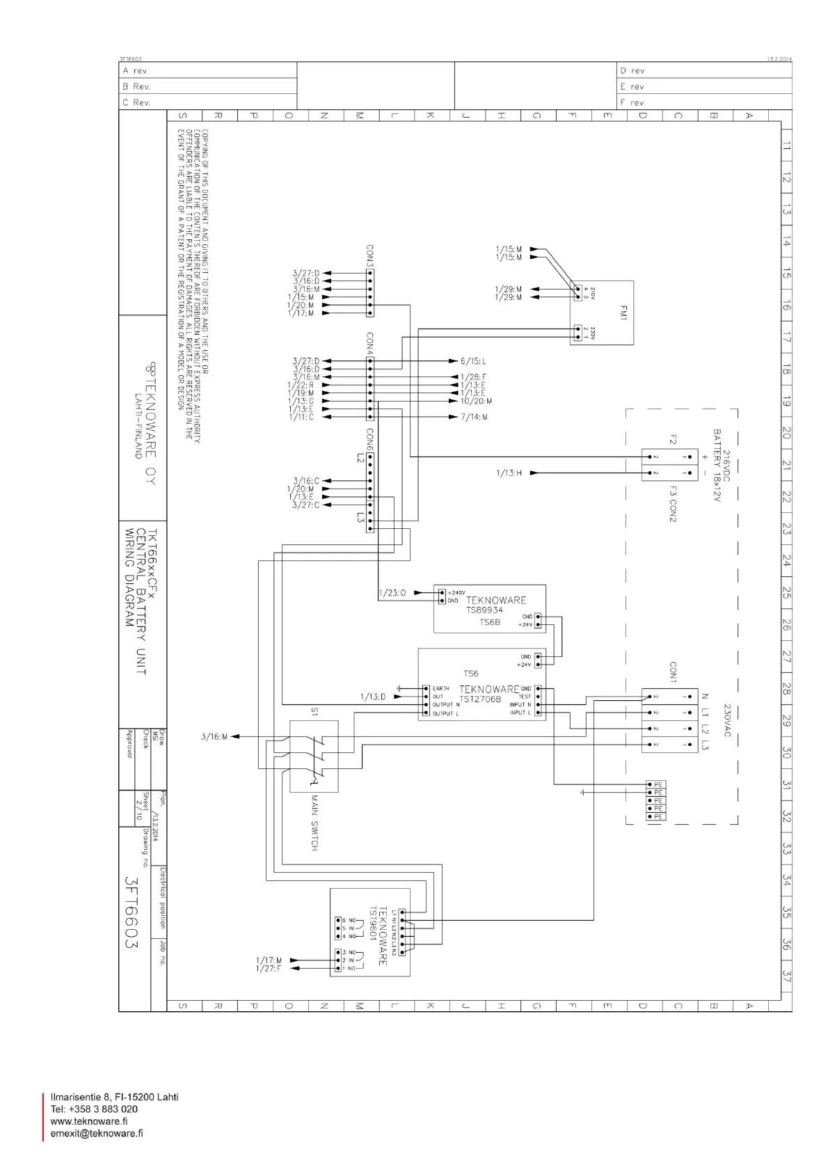
Teknoware TKT66
64 pages
Print Icon
To Next Page IconTo Next Page
To Next Page IconTo Next Page
To Previous Page IconTo Previous Page
To Previous Page IconTo Previous Page
Loading...
VOT1; Rev 1.5; EN; 5.11.2015
TKT66 Installation and maintenance
53

Table of Contents