EasyManua.ls Logo

Telefire TSA-1000 - Input Wiring

Telefire TSA-1000
85 pages
Print Icon
To Next Page IconTo Next Page
To Next Page IconTo Next Page
To Previous Page IconTo Previous Page
To Previous Page IconTo Previous Page
Loading...
TSA-1000
© 2008 2012 Telefire Fire & Gas Detectors Ltd Revision 1.12 האיגש !אצמנ אל הינפהה רוקמ. 2
– Page 40 of 40 –
11.3.4 Input Wiring
Input wiring for detectors and push buttons shall be with a two-wire cable according to
the local regulations.
Special detectors such as beam detectors or gas detectors shall be connected by a 4-
wire cable.
In industrial installations which have machines which produce high power
electromagnetic fields, use shielded cables.
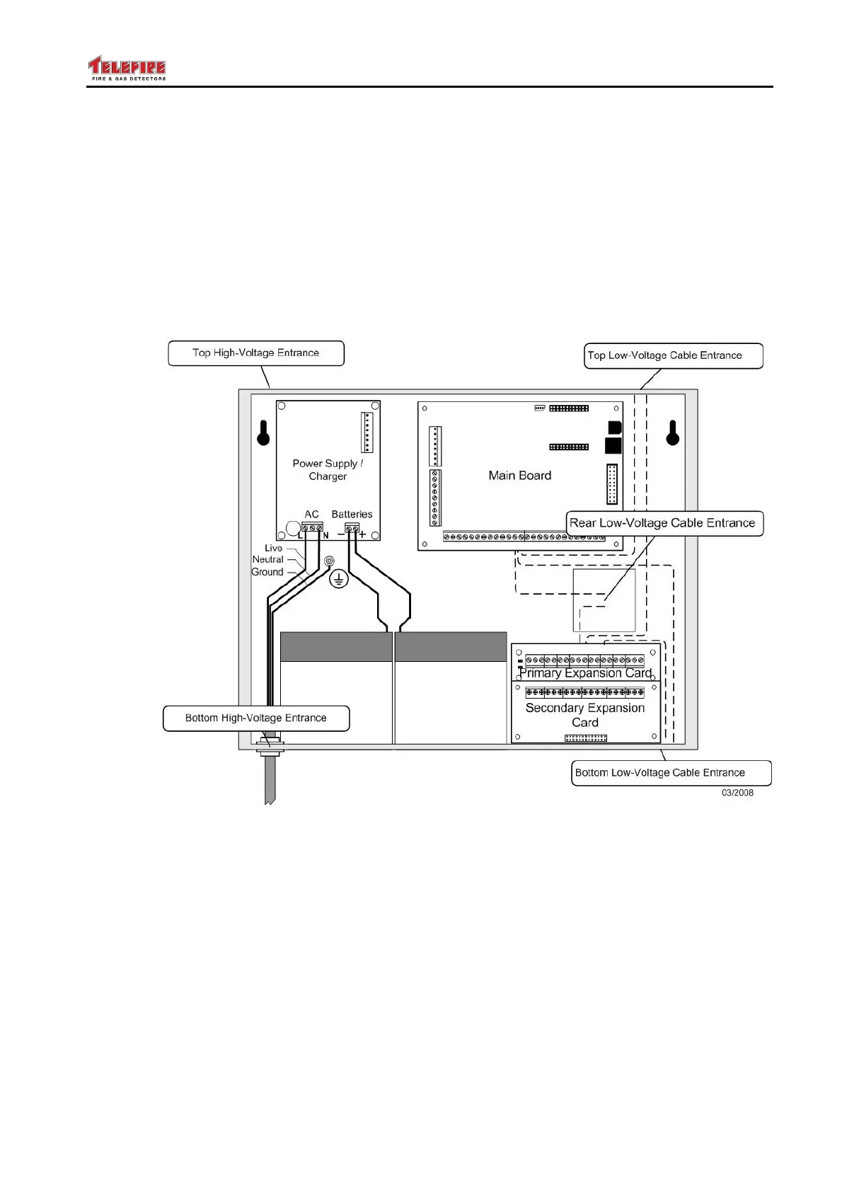
Detector wiring shall be in a separate conduit from mains conduit.
The wiring cables and input and system output shall be separate from mains AC input –
see Figure 9.
Figure 9 Routing High- and Low Voltage cables in the TSA-1000 Chassis
11.3.5 24Vdc Powered Devices
To ensure operation of alarm or initiating device that requires relatively high current from
a 24 Vdc source, use appropriate cables.
Wire specifications should be between 12 and 18 AWG and the cable resistance running
between the 24 Vdc source to the I/O module and from the I/O module to the device
should be calculated. Ensure that no device receives a voltage below its specified
minimum operating value and that the total voltage drop will not exceed 3 volts.
Calculate the total current drawn by the system and system devices at normal operation
and alarm modes. Ensure that the total load on the power supply does not exceed its
limit of 1.5 Ampere.

Table of Contents

Related product manuals