EasyManua.ls Logo

Telefire TSA-1000 - Output Wiring

Telefire TSA-1000
85 pages
Print Icon
To Next Page IconTo Next Page
To Next Page IconTo Next Page
To Previous Page IconTo Previous Page
To Previous Page IconTo Previous Page
Loading...
TSA-1000
© 2008 2012 Telefire Fire & Gas Detectors Ltd Revision 1.12 האיגש !אצמנ אל הינפהה רוקמ. 2
– Page 41 of 41 –
11.3.6 Output Wiring
Activation circuit cabling between the 24Vdc source to the output device such as
sounders, extinguishing devices, strobes, etc., shall be calculated to a maximum voltage
drop of 3V or a voltage drop that will leave the device with the lowest operating voltage
specified by the manufacturer – the lowest voltage drop of the two.
11.3.7 Remote Panel Wiring
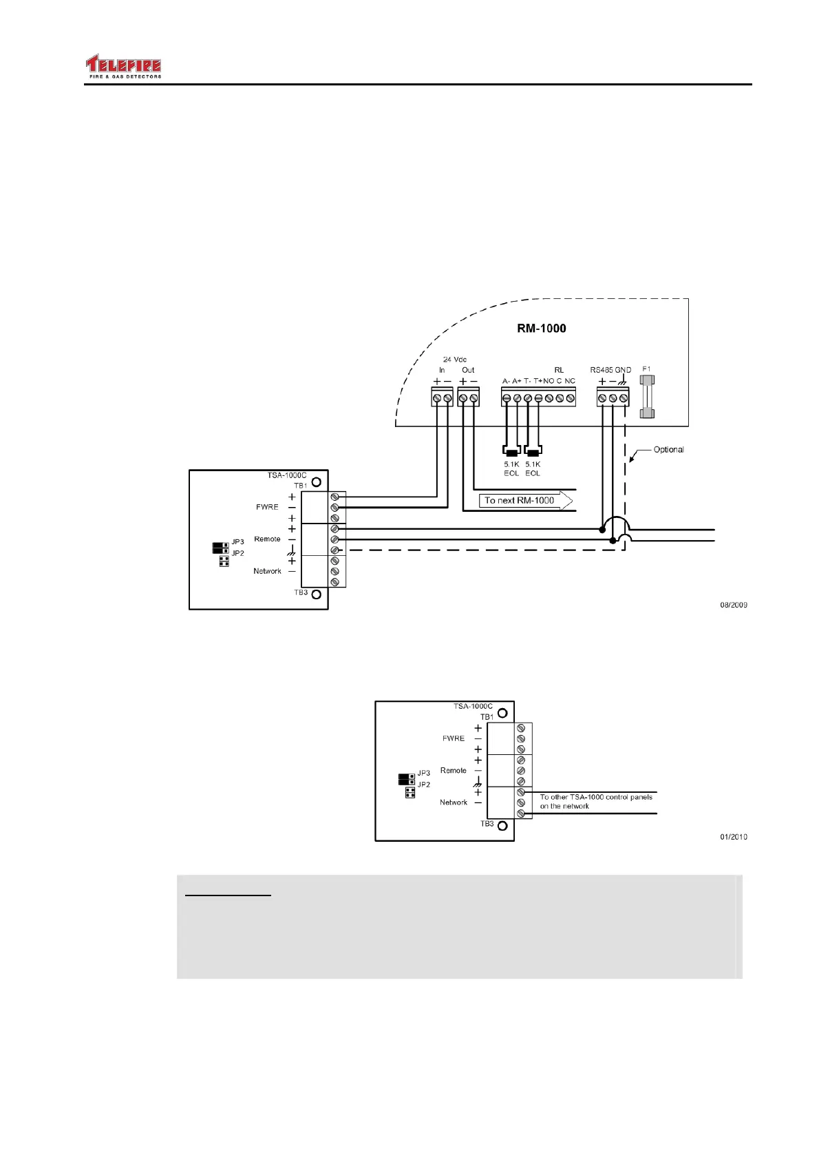
RM-1000 remote panels are connected to the control panel via 4-wire connection. One
pair of RS-485 wires and one pair for 24Vdc supply.
Figure 10 RM-1000 connection
11.3.8 Control Panel Network Wiring
Control panel networking shall be done via a pair of RS-485 wires.
Figure 11 Connecting a network
!
Warning
Disconnect all power supplies, (main and batteries) before connecting
or disconnecting cables to the control panel.
Ensure that the system operates normally and that there are no zones in
alarm prior to connecting or replacing extinguishing devices.
11.3.9 End Of Line device (E.O.L.)
Install the End Of Line Device (E.O.L.) to the last device in the zone or output.

Table of Contents

Related product manuals