EasyManua.ls Logo

Telos Hx1 - Page 15

Telos Hx1
74 pages
Print Icon
To Next Page IconTo Next Page
To Next Page IconTo Next Page
To Previous Page IconTo Previous Page
To Previous Page IconTo Previous Page
Loading...
INSTALLATION | 7
is arrangement is exible, allowing the operator to place any or all sources in Utility for the
caller to hear. In our example we have the fortunate case that the console permits the Utility bus
to be fed pre-fader, letting the announcer easily use the telephone system for o-air conversa-
tions.
A recorder can be attached to the Utility and hybrid outputs to record announcer + phone
audio. is is often done as shown here, with each signal to a separate track. A drawback is the
potential for the operator to accidentally put the hybrid in Utility, in which case it is no longer a
mix-minus. To avoid this error, the signal path could be permanently disconnected by removing
the summing resistors, or some such creative operation.
If no bus is available to feed the Hx, you could use an external mixer that bridges the micro-
phone inputs to achieve the same eect.
e Hx2 has multiple hybrids and works best if two faders can be assigned to the telephone
system with two associated mix-minuses, one for each telephone line. is is probably not going
to be easy with an older console. But the Hx2 has an option to work with a single external mix-
minus by making an internal cross-connection of the hybrids. See Section 2.3 for more on this.
Using a small mixer
A small audio mixer is used to record interviews o the telephone line using a single hybrid.
e mixer’s main bus is fed to the recording device. Both the microphone and the hybrid will be
brought up on the faders so the interview can be recorded.
Most small mixers (such as those made by Mackie) have one or two Aux send busses, so we will
use these to feed the telephone system. We will turn up Aux for the microphone but we will
make sure it is turned fully o for the each channel that has the corresponding caller audio.
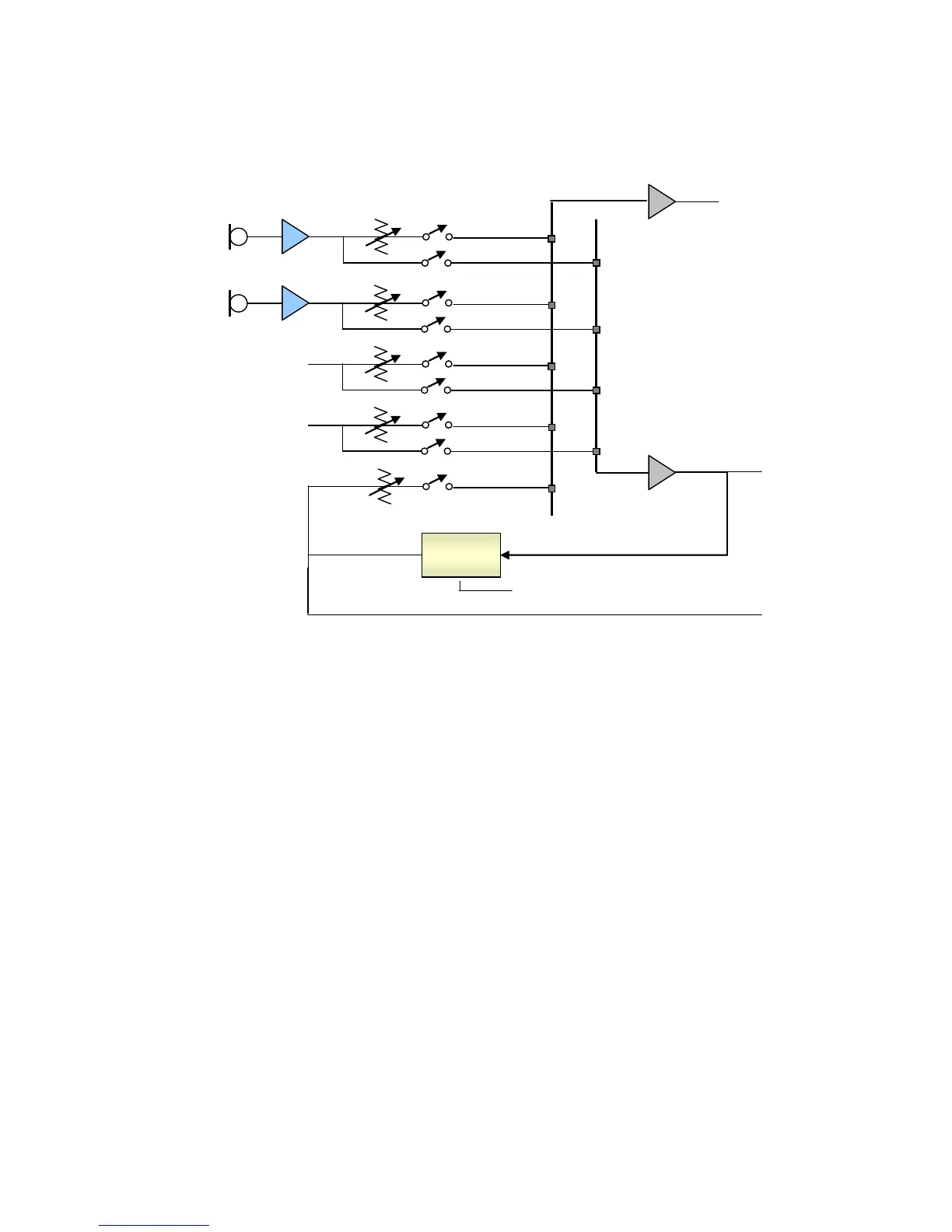
Line
Inputs
Hybrid
Utility Bus
PGM Bus
To Telco
{
To Rec Ch.1
To Rec Ch.2

Other manuals for Telos Hx1

Related product manuals