EasyManua.ls Logo

Thermal Dynamics CE CutMaster 50 - APPENDIX 2 A: SEQUENCE of OPERATION (BLOCK DIAGRAM - CE Cutmaster 50

Thermal Dynamics CE CutMaster 50
48 pages
Print Icon
To Next Page IconTo Next Page
To Next Page IconTo Next Page
To Previous Page IconTo Previous Page
To Previous Page IconTo Previous Page
Loading...
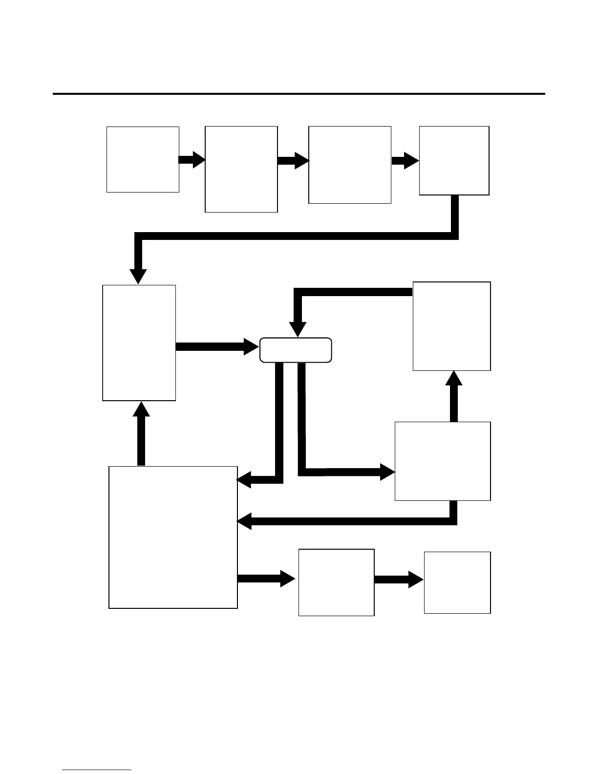
APPENDIX A-2 Manual 0-2844
APPENDIX 2A: SEQUENCE OF OPERATION
(BLOCK DIAGRAM - CE CutMaster 50)
ACTION
ON/OFF switch
to OFF
RESULT
All indicators off.
Power supply fans off.
ACTION
RUN/SET
switch to RUN.
RESULT
Gas flow stops.
GAS indicator off.
ACTION
Torch moved within
transfer distance of workpiece.
RESULT
Main arc transfer.
Pilot arc off.
ACTION
Torch deactivated (by torch switch
release or by remote device).
RESULT
Main arc stops.
(Power supply enable signal removed)
Gas flows (10 seconds)
NOTE - If torch is activated during
post-flow, pilot arc will immediately restart.
If torch is within transfer distance
(1/4 in/6.4mm) of workpiece, main arc
will transfer.
After post-flow:
Gas solenoid closes, gas flow stops.
GAS indicator off.
ACTION
Close external
disconnect switch.
RESULT
Power to system.
ACTION
RUN/SET switch
to SET.
RESULT
Gas solenoid open,
gas flows to set pressure.
GAS indicator on.
ACTION
Torch moved away
from work (while
still activated).
RESULT
Main arc stops.
Pilot arc automatically
restarts.
PILOT ARC
ACTION
ON/OFF switch
to ON.
RESULT
AC indicator blinks for 8
seconds then steady on.
Fans on.
Pilot relay closes.
Power circuit ready.
ACTION
Protect eyes and
activate torch.
RESULT
Gas flows (2 seconds).
After gas pre-flow:
DC indicator on.
Pilot arc established
A-03568
ACTION
Open external
disconnect.
RESULT
No power to system

Related product manuals