EasyManua.ls Logo

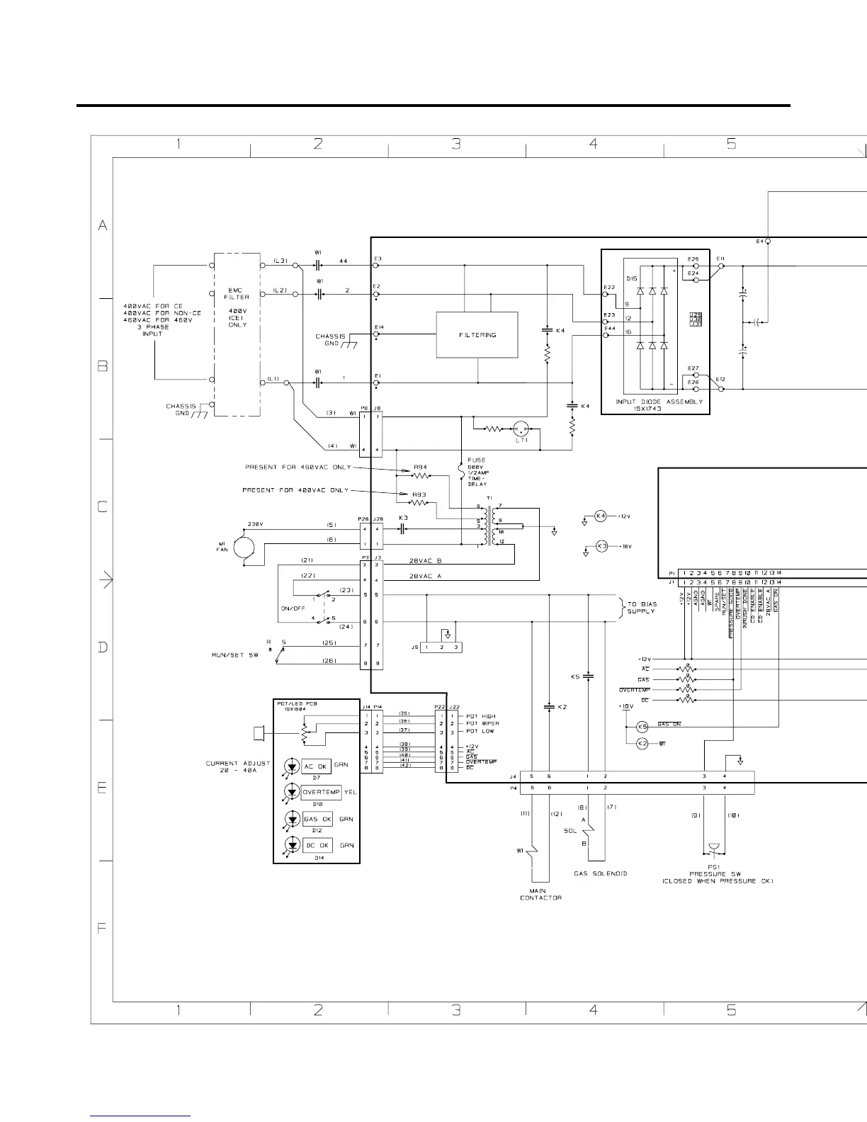
Thermal Dynamics CE CutMaster 50 - APPENDIX 5: SYSTEM SCHEMATIC (CE Cutmaster 50

Thermal Dynamics CE CutMaster 50
48 pages
Print Icon
To Next Page IconTo Next Page
To Next Page IconTo Next Page
To Previous Page IconTo Previous Page
To Previous Page IconTo Previous Page
Loading...
APPENDIX A-6 Manual 0-2844
APPENDIX 5: SYSTEM SCHEMATIC (CE CutMaster 50)
A-02967

Related product manuals