EasyManua.ls Logo

Thomas PROTOUGH 900 - 4.11 Hydraulic Schematic - Conveyor Option

Thomas PROTOUGH 900
165 pages
Print Icon
To Next Page IconTo Next Page
To Next Page IconTo Next Page
To Previous Page IconTo Previous Page
To Previous Page IconTo Previous Page
Loading...
59
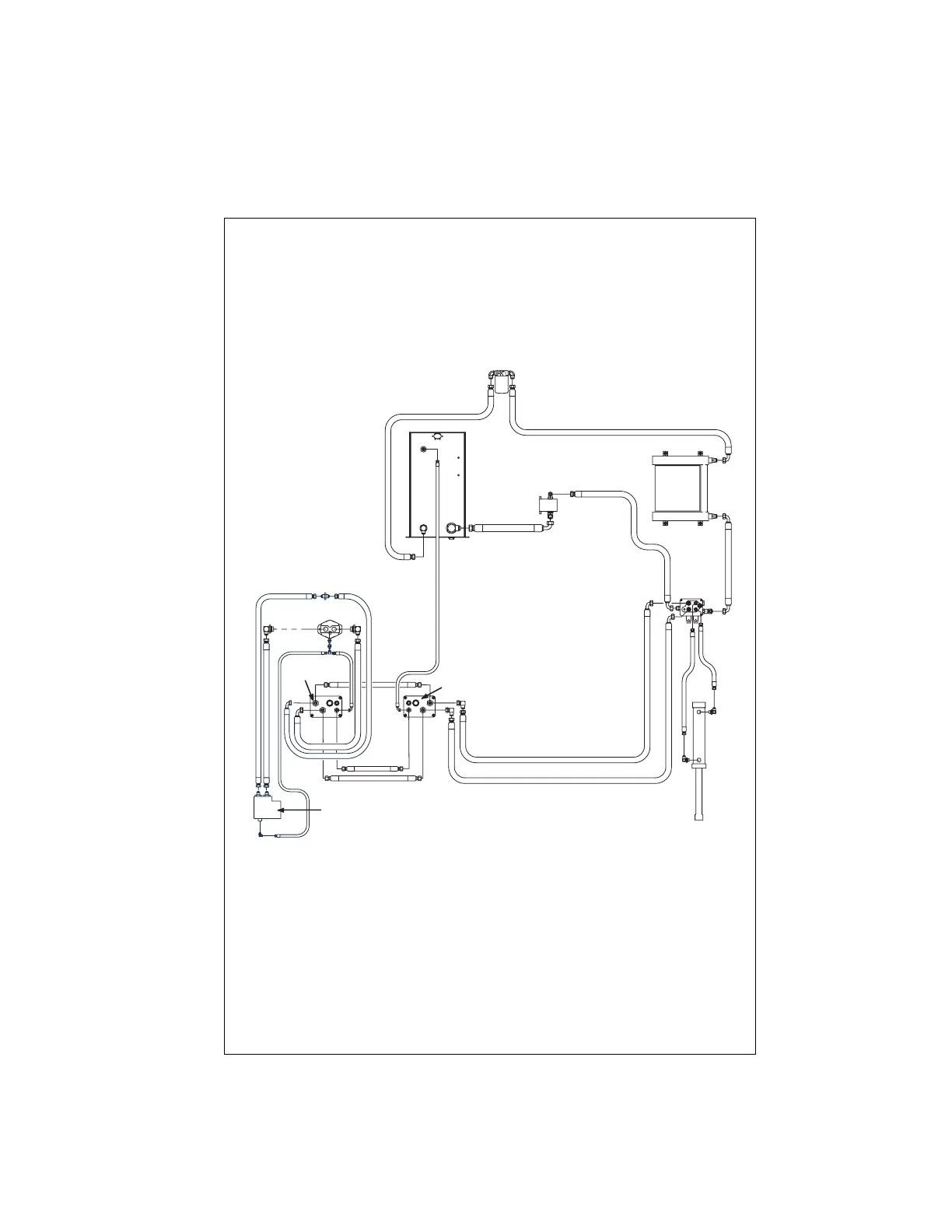
4. MAINTENANCE
FRONT
BULKHEAD
REAR
BULKHEAD
OIL
TANK
GEAR
PUMP
OIL
COOLER
SHAKER
MOTOR
CONTROL
VALVE
LIFT
CYLINDER
CONVEYOR
MOTOR
4.11 HYDRAULIC SCHEMATIC - Conveyor Option
S0262

Table of Contents