EasyManua.ls Logo

THOMSON 32E90NH22 - Page 61

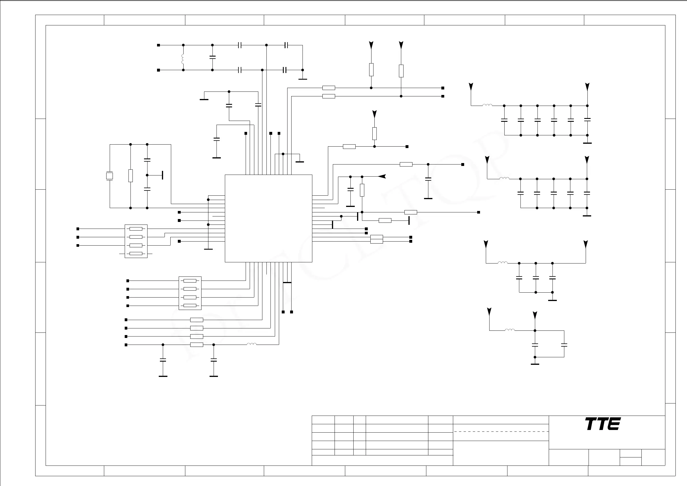
THOMSON 32E90NH22
89 pages
Print Icon
To Next Page IconTo Next Page
To Next Page IconTo Next Page
To Previous Page IconTo Previous Page
To Previous Page IconTo Previous Page
Loading...
for TCL TQP
DESIGNATION
4-27-2007_10:59
ON:
BY:
CHECKED
DRAWN
DESIGNATION
DATE DESCRIPTION Last modifNAMEIndex-Lab
SBU :
TOCOM-Nr
ON:
BY:
OF :
PAGE:
SNAME
Last saved :
A
123
THIS DRAWING CANNOT BE COMMUNICATED TO UNAUTHORIZED PERSONS COPIED UNLES S PERMITTED IN WRITING
45678
F
E
D
C
B
A
8 7 6 5 4 3 2 1
F
E
D
C
B
FORMAT DIN A3
TCL Thomson Electronics Singapore Pte. Ltd.
Tel (65) 63092900 Fax (65) 63092999
The JTC Summit SINGAPORE 609434
8 Jurong Town Hall Road #28-01/06
AVDD33_3
AVSS33_3
AVSS33_2
XTALI
XTALO
AVDD33_2
ALC_IN
VDD1.2
DGND1.2
TSDATA7
TSDATA6
TSDATA5
VDD3.3
TSDATA4
TSDATA3
TSDATA2
TSDATA1
TSDATA0
TSERR
TSVAL
TSSYNC
TSCLK
VDD3.3_1
DGND3.3
VDD1.2_1
HOST_SCL
HOST_SDA
VDD1.2_2
VDD3.3_2
DGND3.3_1
XTAL_SEL0
XTAL_SEL1
/RESET
GPIO0
VDD3.3_3
IF_AGC
RF_AGC
TUNER_SDA
TUNER_SCL
DGND1.2_1
VDD1.2_3
AVSS33_1
AVDD33_1
IN-
IN+
REFBOT
VCMEXT
REF_TOP
Digital 1.8V Bypass Caps
Digital 3.3V Bypass Caps
Analog 3.3V Bypass Caps
R151
4K7
R150
100
DV33
MT5131_IF_AGC
C509
0.047U
DVDD33
IF_AGC
R5061K
R55133R
R55333R
R55233R
R55033R
NC/20P
C568
NC/20P
C569
L510
120R
C527
NC/1000P
L506
NC/0.22UH
R136
4K7
R134
4K7
C505
120P/NC
R504
10K
R505
100R
C503
1U
C502
1U
C501
1U
C500
1U
C512
0.22U
C510
0.22U
DVDD12
AV12
AV12
1000P
C513
C514
1000P
48
1
2
3
4
5
6
7
8
9
10
11
12
13
14
15
16
17
18
19
20
21
22
23
24
25
26
27
28
29
30
31
32
33
34
35
36
37
38
39
40
41
42
43
44
45
46
47
U502
MT5133
TUNER_SDA0
TUNER_SCL0
600R
L501
L502
600R
600R
L503
1
2
3
4 5
6
7
8
R536
33R
1
2
3
4 5
6
7
8
R535
33R
C504
120P/NC
AVDD33
FAT_IN+
FAT_IN-
OSCL0
R508
0R
R507
0R
TS0INDATA5
TS0INDATA6
TS0INDATA7
ADVDD33_1
AV33
AV33
DVDD33DV33
DVDD12
C526
0.1U
C525
0.1U
C524
0.1U
C522
0.1U
C520
0.1U
C523
0.1U
C521
0.1U
C515
0.1U
C518
0.1U
C516
0.1U
C519
0.1U
C517
0.1U
REFTOP
REFBOT
MT5133_RESET
R503NC
C508
0.1U
R502 0R
DVDD33
R501
0R
R500
1M
C507
27P
C506
27P
VCMEXT
SIF_SCL
SIF_SDA
ADVDD33_1
AVDD33
DVDD12
DVDD33
DVDD33
DVDD12
DVDD12
AVDD33
XTALI
XTALO
TS0INDATA2
TS0INDATA4
TS0INDATA3
TS0INDATA1
X500
27M
TUNER_SDA
TUNER_SCL
OSDA0
L500
600R
DV33 DV33
0.22U
C511
TS0INDATA0
TS0INVALID
TS0INSYNC
TS0INCLK
MT5133-GPIO-AD

Table of Contents

Related product manuals