EasyManua.ls Logo

THOMSON 32E90NH22 - Page 70

THOMSON 32E90NH22
89 pages
Print Icon
To Next Page IconTo Next Page
To Next Page IconTo Next Page
To Previous Page IconTo Previous Page
To Previous Page IconTo Previous Page
Loading...
for TCL TQP
GND
GND
LRCLK
DIN
BCLK
ENABLE
VMID
ROUT
AGND
DGND
DVDD
DEEMPH
FORMAT
MCLK
LOUT
AVDD
GND
GND
GND
GND
GNDGND
GND
GND
GND
GND
GND
2IN+
2IN-
2OUT
VCC+
1IN+
1IN-
1OUT
VCC-
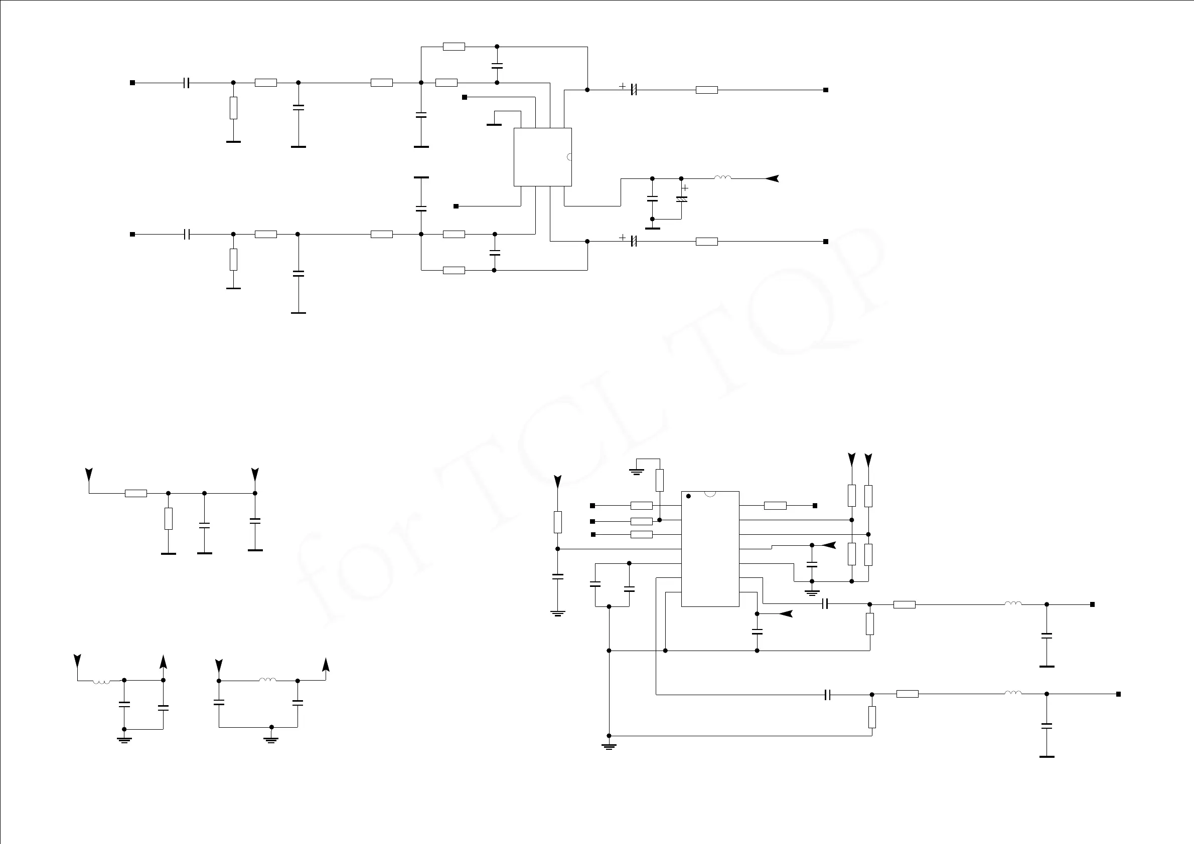
DAC
A
A
A
A
C901
NC/1U
NC/1U
C900
NC/10R
R913
R908
NC/10R
OPAVREF
AV9V_REF
AV9V_REF
L902
600R
AV9V
C962
220U
16V
C9016
1U
DACVL
SPEAK-OUTL
SPEAK-OUTR
C902
47U
6V3
C903
47U
6V3
AR1O
AL1O
5
6
7
8
3
2
1
4
U901
RC4558
OPAVREF
C912
1U
C910
1U
10K
R914
R904
10K
NC
C929
C925
2200P
C928
100P
C927
100P
C926
2200P
R900
100K
R907
5K1
R906
33K
R901
470R
OPAVREF
OPAVREF
100K
R902
470R
R903 R905
10K
33K
R909
5K1
R910
NC
C930
R915
10K
1U
C911
R9021
10K
C9014
0.1U
L900
600R
L901
600R
1
2
3
4
5
6
7
10
11
12
13
14
9
8
U907
WM8501
R9030
33R
R902833R
R902733R
R9019
47K
R9017
0
C9017
1U
C9015
1U
R9022
10K/NC
DV33
DV33
DV33
C913
1000P1000P
C914
R9026
NC/33K
R9018
0
R9020
10K
C9018
0.1U
ADCVA
R9024
10K
10K R9023
C9012
0.1U
C9013
0.1U
R9029
33R
NC/33K
R9025
AOMCLK
SCT1_AUL_OUT
SCT1_AUR_OUT
AOLRCK
A0SDATA0
AOBCK
L931
30R
10R
L930
C9010
0.1U
C9009
1U
C9008
1U
DV33
+5V
ADCVA
DACVL
C9011
1U
ADCVA

Table of Contents

Related product manuals