EasyManua.ls Logo

Titan Electronics USB-2CAN-M - Page 76

Titan Electronics USB-2CAN-M
76 pages
Print Icon
To Previous Page IconTo Previous Page
To Previous Page IconTo Previous Page
Loading...
75
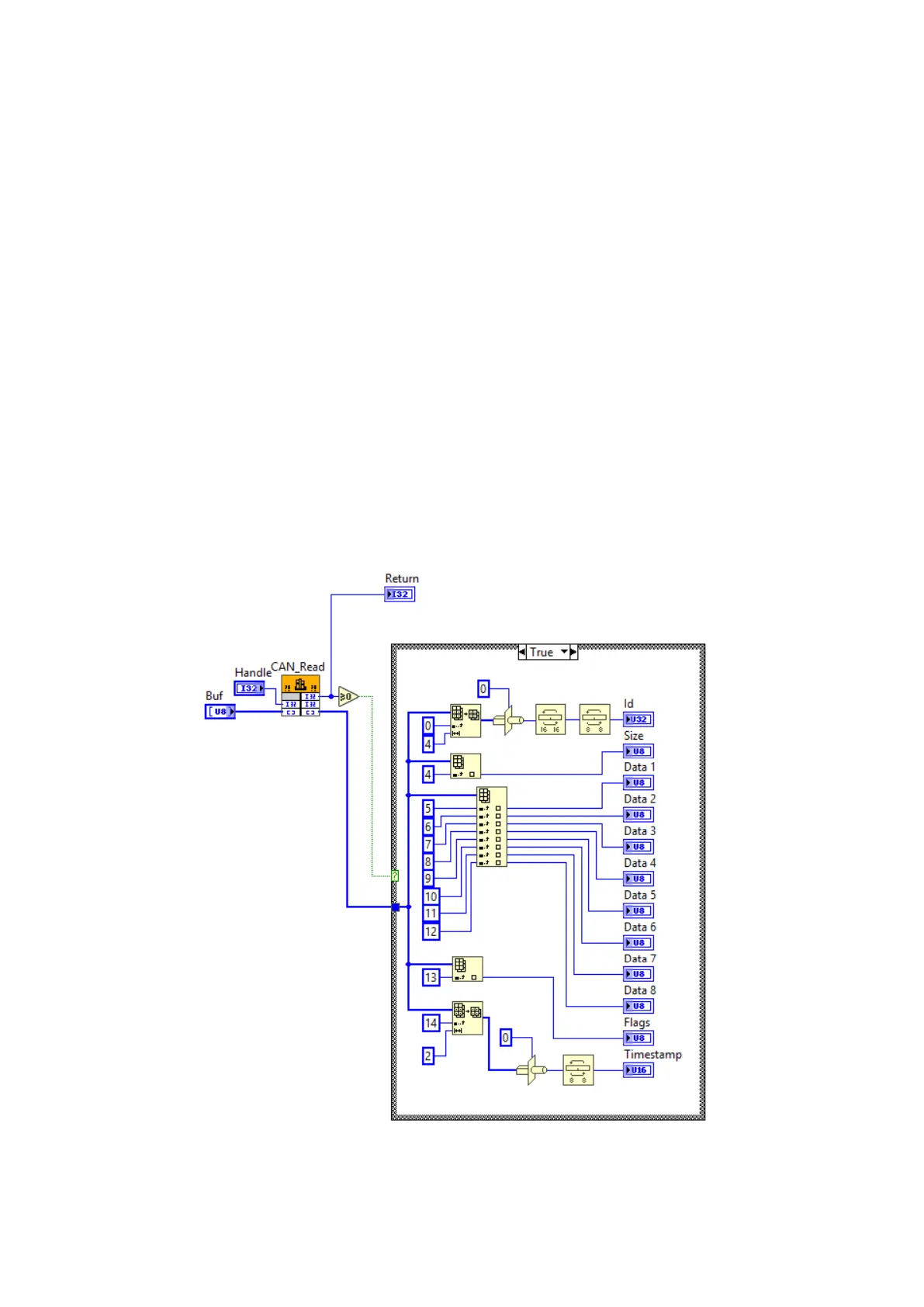
CAN_Read.vi
Description
Read a message from the CAN channel with the specified handle.
Input
Handle: The handle of the CAN channel which the message is to be read from.
Output
Return: A positive value indicates success in reading the message, whereas a
negative value indicates an error in reading the message, with -4 representing that
the channel is not open and -5 representing that there is no message to be read.
Id: Message ID.
Size: Frame size (0~8).
Data[8]: Data bytes 0~7.
Flags: 1 (standard), 2 (extended), 9 (standard + timestamp), 10 (extended +
timestamp)
Timestamp: Timestamp (ms).

Table of Contents