EasyManua.ls Logo

Toa VX-2000 Series - Mounting the Assembly of Rm-200 X and Its Extension Rm-210 on a Wall

Toa VX-2000 Series
328 pages
Print Icon
To Next Page IconTo Next Page
To Next Page IconTo Next Page
To Previous Page IconTo Previous Page
To Previous Page IconTo Previous Page
Loading...
Chapter 8: INSTALLATION AND SETTING PROCEDURES (HARDWARE)
1. RM-200XF AND RM-200X MICROPHONES
8 -11
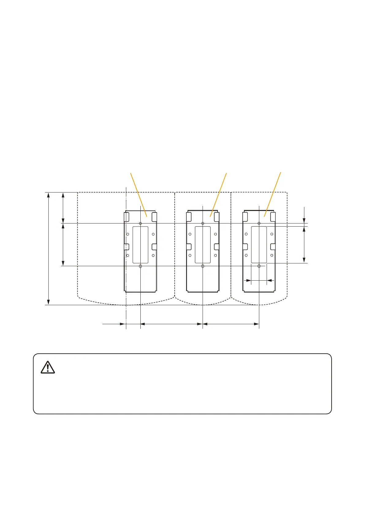
1.5. Mounting the Assembly of RM-200X and Its Extension RM-210 on a Wall
When adding an RM-210 Remote Microphone Extension to expand the RM-200XF, use the optional WB-RM200
Wall Mounting Bracket.
[Necessary mounting hardware for adding the RM-210]
As the mounting bracket for the RM-210 is an optional product (model WB-RM200), prepare it separately.
Wall mounting bracket for the RM-210 (model WB-RM200) ...... 1 (optional)
M3.5 screw for wiring box .......................................................... 2 (supplied with the WB-RM200)
Tapping screw for wooden wall .................................................. 2 (supplied with the WB-RM200)
Step 1. Attach the 2 WB-RM200 Wall-Mounting Brackets (one for the RM-200X and one for the RM-210) to the
wall.
• Installtheunitonlyinalocationthatcanstructurallysupporttheweightoftheunitandthemounting
bracket. Doing otherwise may result in the unit falling down and causing personal injury and/or
property damage.
• Besuretouse2screwswhenmountingthebrackettothewall.
60.883.5
220.3
123
111
30
28
71.5 6
WB-RM200
(Necessary if one more
RM-210 is added.)
WB-RM200
(optional)
WB-RM200
(optional)
RM-200X RM-210 RM-210
Continued on next page
Unit: mm
WARNING

Table of Contents

Other manuals for Toa VX-2000 Series

Related product manuals