EasyManua.ls Logo

Toa VX-2000 Series - Block Diagram; Firemans Microphone Rm-200 Xf

Toa VX-2000 Series
328 pages
Print Icon
To Next Page IconTo Next Page
To Next Page IconTo Next Page
To Previous Page IconTo Previous Page
To Previous Page IconTo Previous Page
Loading...
Chapter 13: SPECIFICATIONS
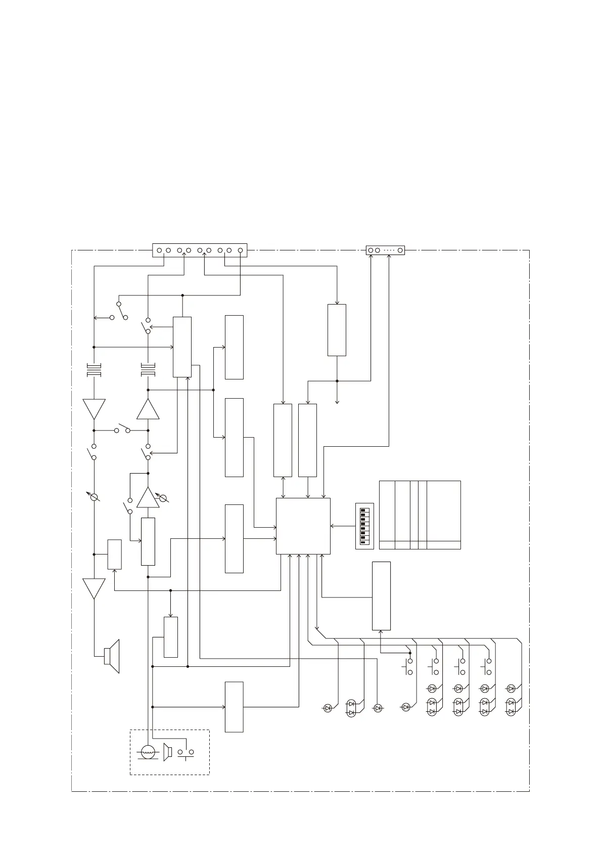
1. BLOCK DIAGRAM
13-2
1. BLOCK DIAGRAM
1.1. Fireman's Microphone RM-200XF
RM-210 Extension Connector
[EXTENSION]
Communication
DC Power Input
Audio Signal Output (balanced)
Audio Monitor Input (balanced)
Shield
Link Connector [LINK]
Power Detection Circuit
DC Power
Buzzer
Emergency
Button
Key 2
Key 3
Key 4
Talk LED
Monitor Speaker
Microphone
Input Sensitivity
LA
HA BA
8
7
6
5
4
3
2
1
Unit ID number
Setting
Compressor ON/OFF
Level Meter ON/OFF
Setting DIP SW
ON
OFF
CPU SW
POWER
FAULT
Talk Key
Hand-Held Microphone
Function Key 2
Enable/Disable
Emergency Button
Enable/Disable
OSC 5.6 kHz
CPU OFF
PA
Speaker
Output Volume
Compressor
CPU OFF
Detection Circuit
DC Power Supply
Free Topology Transceiver
CPU
Level Detection Circuit
Microphone Element Failure
Detection Circuit
Microphone Line Failure
Detection Circuit
Talk Key Failure
Detection Circuit
Emergency Button Failure
Detection Circuit

Table of Contents

Other manuals for Toa VX-2000 Series

Related product manuals