EasyManua.ls Logo

Toa VX-2000 Series - Power Amplifier 4 X 150 W VP-3154, Power Amplifier 4 X 300 WVP-3304, and Power Amplifier 4 X 500 W VP-3504

Toa VX-2000 Series
328 pages
Print Icon
To Next Page IconTo Next Page
To Next Page IconTo Next Page
To Previous Page IconTo Previous Page
To Previous Page IconTo Previous Page
Loading...
Chapter 13: SPECIFICATIONS
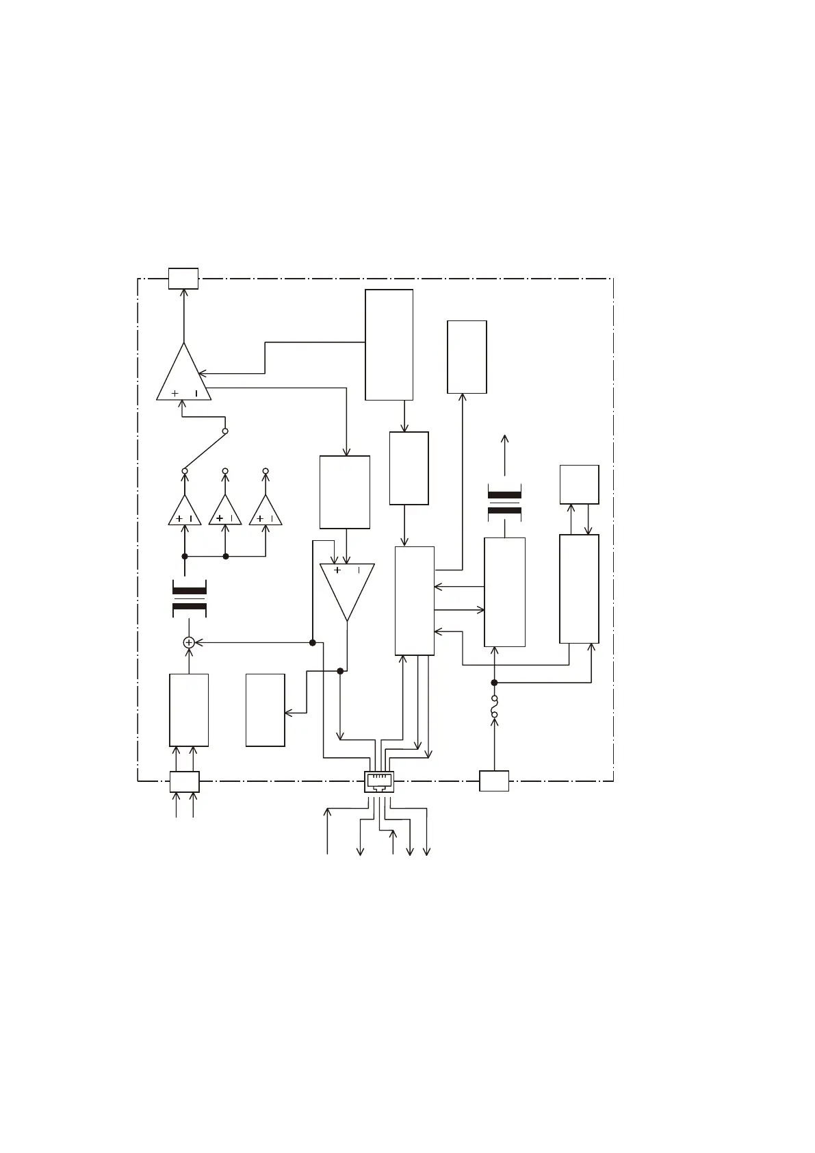
1. BLOCK DIAGRAM
13-12
1.13. Power Amplifier 4 x 150 W VP-3154, Power Amplifier 4 x 300 W VP-3304, and
Power Amplifier 4 x 500 W VP-3504
Audio Signal Input (balanced)
Audio Monitor Output (balanced)
Standby Control Input
DC Fuse Blowout Detection Output
Overheat Status Output
BGM Input (balanced)
MUTE
Power Supply
FAN Control Circuit FAN
Insulation
Circuit
Insulation
Circuit
POWER LED
PROTECT
Protection Circuit
Speaker Line Output
[PA OUT (SP LINE)]
Mute Circuit
SIGNAL LED
PEAK LED
100 V/70 V/ 50 V changer curcuit
Control Circuit
Power Supply for
Class D Amplifier Circuit
Class D Amplifier
DC Power Input

Table of Contents

Other manuals for Toa VX-2000 Series

Related product manuals