EasyManua.ls Logo

Toro 74096 - Adjusting the Center Deck; Center Deck Height Adjustment

Toro 74096
68 pages
Print Icon
To Next Page IconTo Next Page
To Next Page IconTo Next Page
To Previous Page IconTo Previous Page
To Previous Page IconTo Previous Page
Loading...
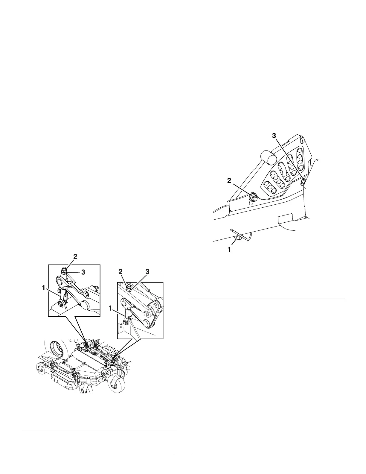
AdjustingtheCenterDeck
1.T oincreasethecuttingheight,turnthe
adjusterscrewclockwise;todecrease,turnit
counterclockwise.
Loosenthejamnutsonthetopofeachdeck
adjuster.Fine-tunetheadjusteronthefront
deck-liftassemblybyturningittogetthecorrect
heightfortheleftandright,frontbladetipson
thecenterdeck(Figure73).
2.Measurethereartipheight.
Fine-tunetherearadjustersasrequired.You
canadjustthesingle-pointadjustmenttogain
moreadjustment.
3.Measureuntilall4sidesareatthecorrect
height.
4.Tightenallthenutsonthedeck-liftarm
assemblies.
5.Ifthe4deckadjusters(Figure73)donothave
enoughadjustmenttoachievetheaccurate
heightofcutwiththedesiredrake,youcan
utilizethesingle-pointadjustmenttogainmore
adjustment.
6.T oadjustthesingle-pointsystem,rstloosen
thefrontandrearheight-of-cutplatemounting
bolts(Figure73)
Fine-tunetherearadjustersasrequired.You
canadjustthesingle-pointadjustmenttogain
moreadjustment.
g239211
Figure73
1.Adjusterlink3.Adjuster
2.Jamnut
7.Ifthedeckistoolow,tightenthesingle-point
adjustmentboltbyrotatingitclockwise(Figure
74).
Ifthedeckistoohigh,loosenthesingle-point
adjustmentboltbyrotatingitcounterclockwise.
Loosenthefrontandrearheight-of-cutplate
mountingbolts.Fine-tunetherearadjusters
asrequired.Youcanadjustthesingle-point
adjustmenttogainmoreadjustment.
Note:Loosenortightenthesingle-point
adjustmentboltenoughtomovethe
height-of-cutplatemountingboltsatleast1/3
thelengthoftheavailabletravelintheirslots.
Thiswillattainsomeupanddownadjustment
oneachofthe4decklinks.
g232012
Figure74
1.Single-pointheightadjustmentbolt
2.Frontheight-of-cutplatemountingbolt
3.Rearheight-of-cutplatemountingbolt
8.T orquethefrontandrearheight-of-cutplate
mountingboltsto37to45N∙m(27to33ft-lb).
AdjustingtheWingDecks
1.Measurefromthelevelsurfacetothefronttipof
theleftwingdeckblade.
Note:Themeasurementshouldread102mm
(4inches).
2.Measurefromthelevelsurfacetothefronttipof
therightwingdeckblade.
Note:Themeasurementshouldread102mm
(4inches).
Note:Aswiththecenterdeck,inmost
conditions,youshouldadjustthereartipson
thewingblades6.4mm(1/4inch)higherthan
thefront.
58

Table of Contents

Other manuals for Toro 74096

Related product manuals