EasyManua.ls Logo

Toro TX 1000 - Page 55

Toro TX 1000
60 pages
Print Icon
To Next Page IconTo Next Page
To Next Page IconTo Next Page
To Previous Page IconTo Previous Page
To Previous Page IconTo Previous Page
Loading...
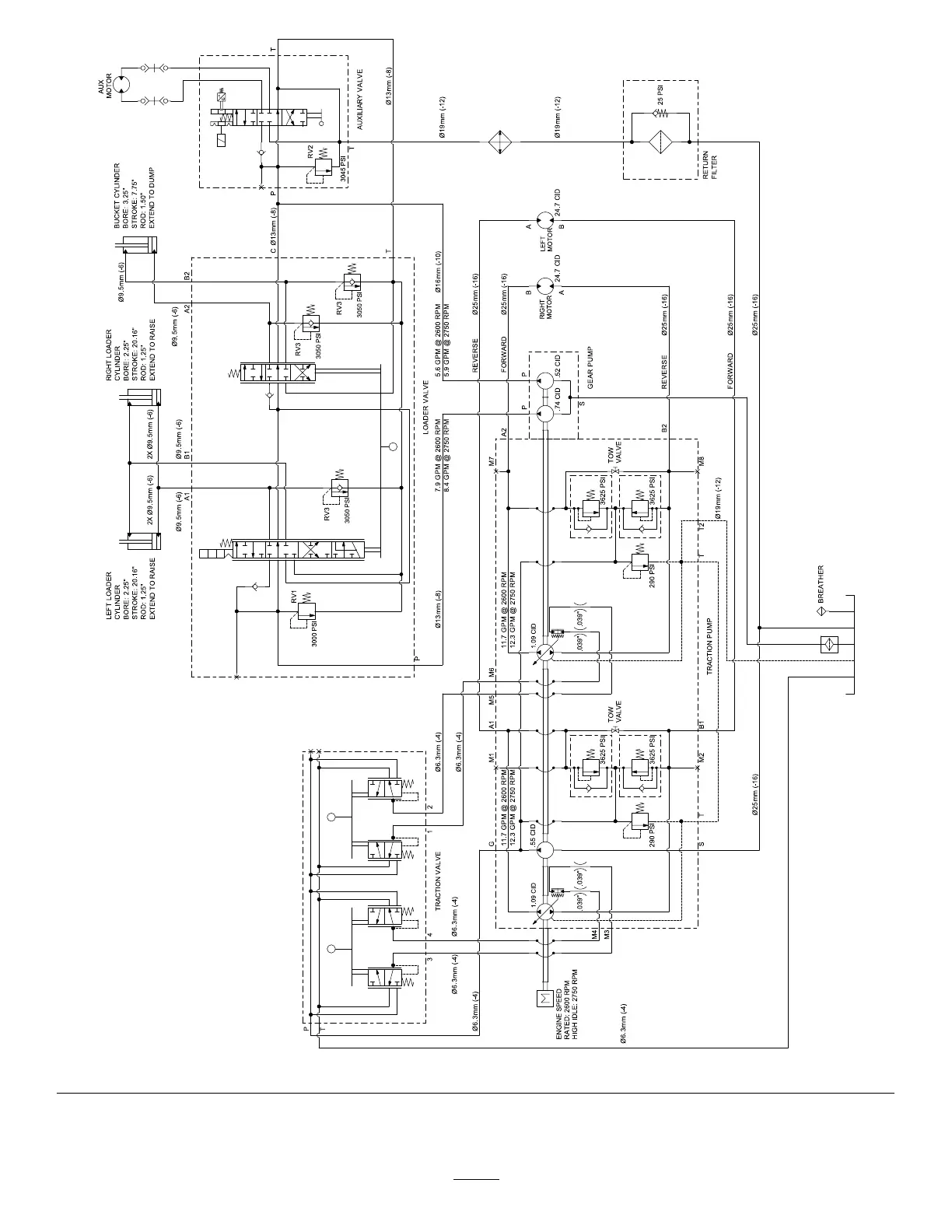
g260360
HydraulicSchematic(Rev.D)
55

Table of Contents

Other manuals for Toro TX 1000

Related product manuals