EasyManua.ls Logo

Trademaster WE-350DS - Wiring Diagrams; Troubleshooting

Default Icon
26 pages
Print Icon
To Next Page IconTo Next Page
To Next Page IconTo Next Page
To Previous Page IconTo Previous Page
To Previous Page IconTo Previous Page
Loading...
- 12 -
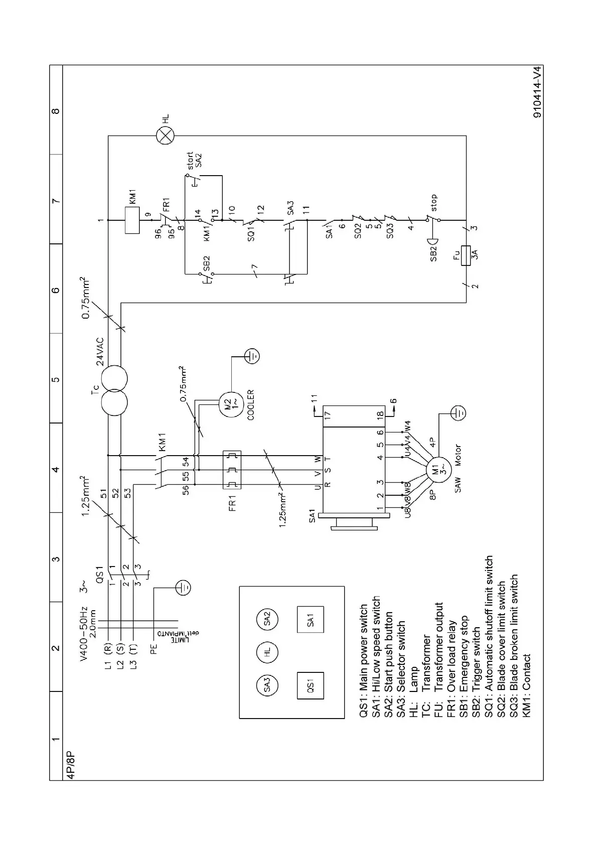
10 WIRING DIAGRAMS

Table of Contents

Related product manuals