EasyManua.ls Logo

Trane Technologies Climate Changer UCCA - Page 54

Default Icon
76 pages
Print Icon
To Next Page IconTo Next Page
To Next Page IconTo Next Page
To Previous Page IconTo Previous Page
To Previous Page IconTo Previous Page
Loading...
Electrical Requirements
54 CLCH-SVX009J-EN
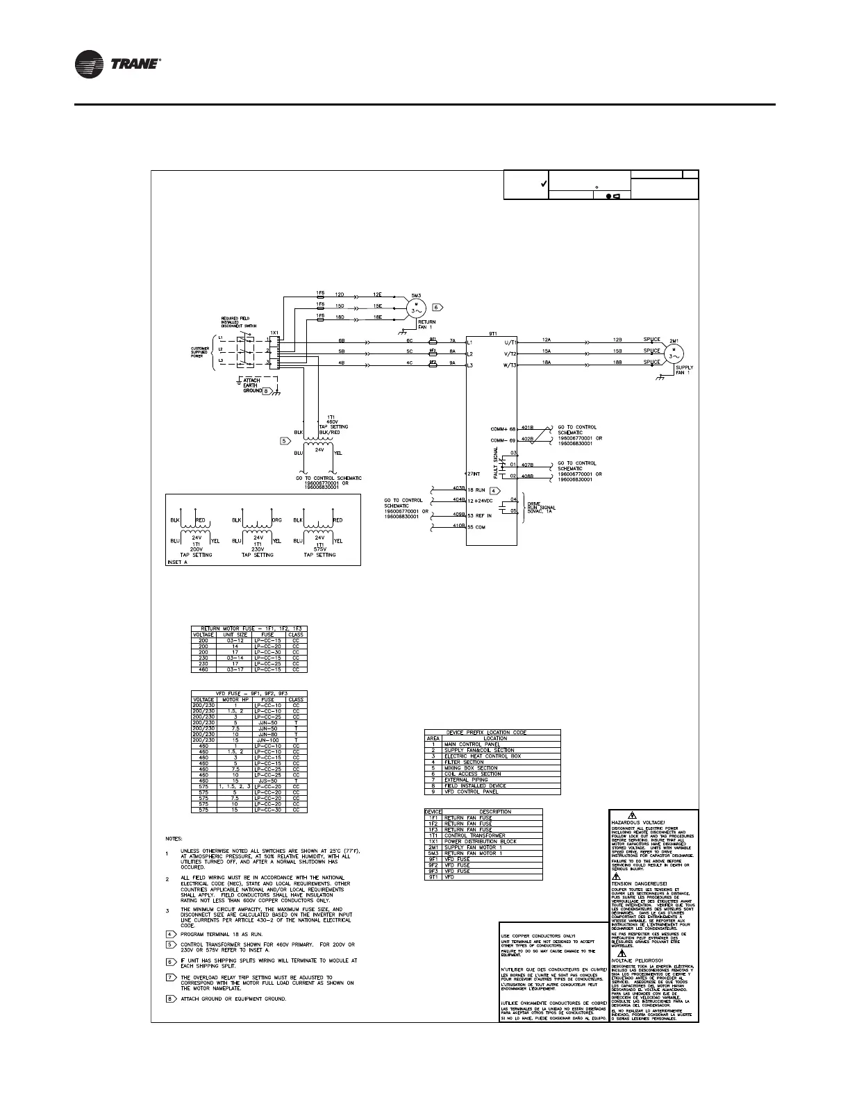
Figure 59. Typical VFD wiring schematic for outdoor air handlers
TRANE
THIS DRAWING IS PROPRIETARY AND SHALL NOT BE COPIED OR ITS
CONTENTS DISCLOSED TO OUTSIDE PARTIES WITHOUT THE WRITTEN
CONSENT OF TRANE
DRAWN BY: DATE:
DO NOT SCALE PRINT
.X
.XX
.XXX
THIRD ANGLE PROJECTION
c
= B
= B
= B
UNLESS OTHERWISE SPECIFIED ALL
DIMENSIONS ARE IN INCHES.
TOLERANCE:
ANGLES =
B HOLE DIA =
+
-
CONFORMS TO ASME Y14.5M - 1994
SHEET
OF
REV
`
FINISH
TRANE
HIGH VOLTAGE
SINGLE MOTOR, VFD, NO ELECTRIC HEAT
RETURN FAN, CONTROL INTERFACE
200V, 230V, 460V
196006950001
1 1
7-APR-2015
B
C. LI
PRECAUCIÓN
ATTENTION
CAUTION
AVERTISSEMENT
ADVERTENCIA
WARNING

Related product manuals