EasyManua.ls Logo

Trane Technologies Climate Changer UCCA - Page 55

Default Icon
76 pages
Print Icon
To Next Page IconTo Next Page
To Next Page IconTo Next Page
To Previous Page IconTo Previous Page
To Previous Page IconTo Previous Page
Loading...
Electrical Requirements
CLCH-SVX009J-EN 55
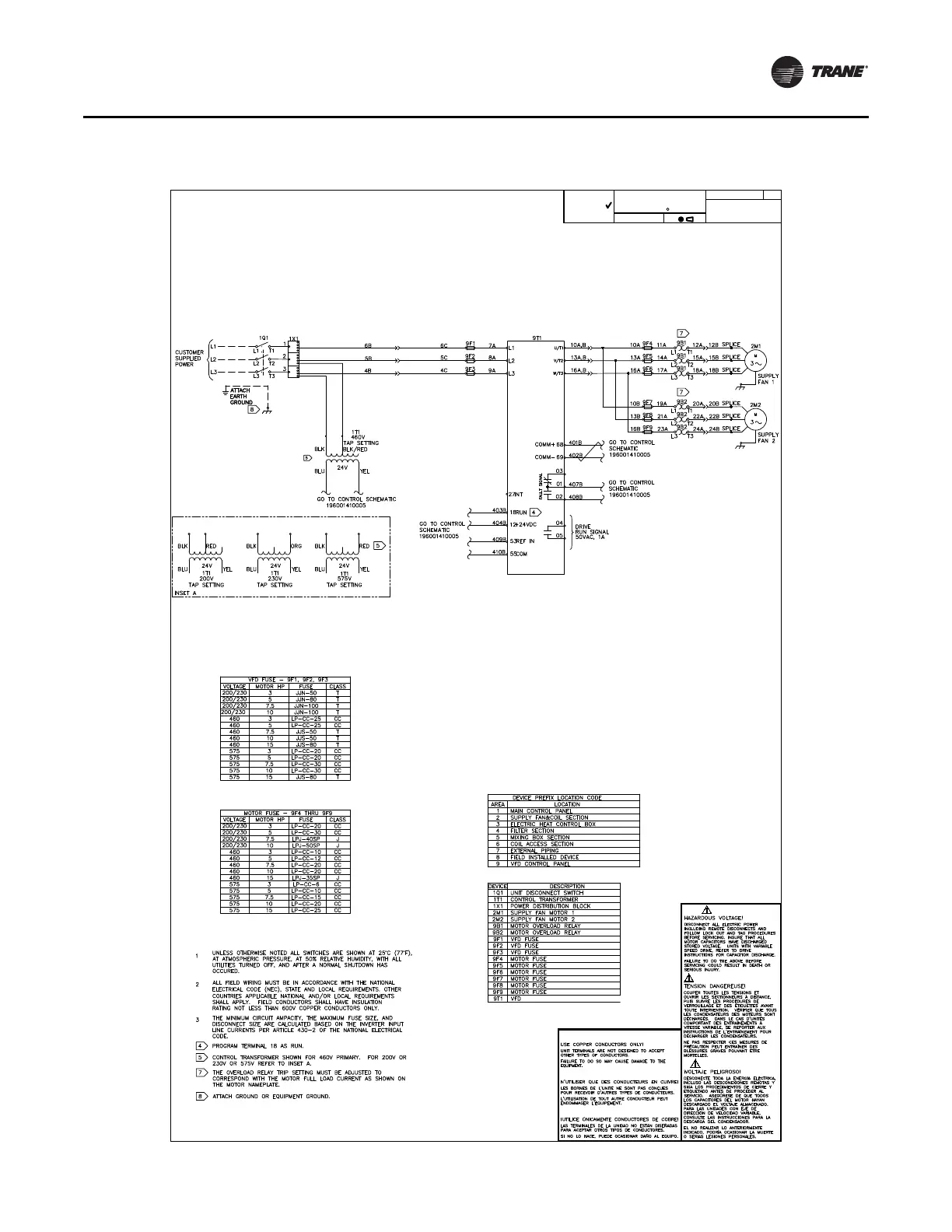
Figure 60. Typical dual fan VFD wiring schematic - indoor air handler only
TRANE
THIS DRAWING IS PROPRIETARY AND SHALL NOT BE COPIED OR ITS
CONTENTS DISCLOSED TO OUTSIDE PARTIES WITHOUT THE WRITTEN
CONSENT OF TRANE
DRAWN BY: DATE:
DO NOT SCALE PRINT
.X
.XX
.XXX
THIRD ANGLE PROJECTION
c
= B
= B
= B
UNLESS OTHERWISE SPECIFIED ALL
DIMENSIONS ARE IN INCHES.
TOLERANCE:
ANGLES =
B HOLE DIA =
+
-
CONFORMS TO ASME Y14.5M - 1994
SHEET
OF
REV
`
FINISH
TRANE
HIGH VOLTAGE
DUAL MOTOR, VFD, NO ELECTRIC HEAT
CONTROL INTERFACE
INDOOR UNIT 200V, 230V, 460V, 575V
196001380005
1 1
28-JAN-2020
C
K. GRIGSBY
PRECAUCIÓN
ATTENTION
CAUTION
AVERTISSEMENT
ADVERTENCIA
WARNING

Related product manuals