EasyManua.ls Logo

Triple E 1999 Class C - Electrical Schematics

Default Icon
120 pages
Print Icon
To Next Page IconTo Next Page
To Next Page IconTo Next Page
To Previous Page IconTo Previous Page
To Previous Page IconTo Previous Page
Loading...
10-11
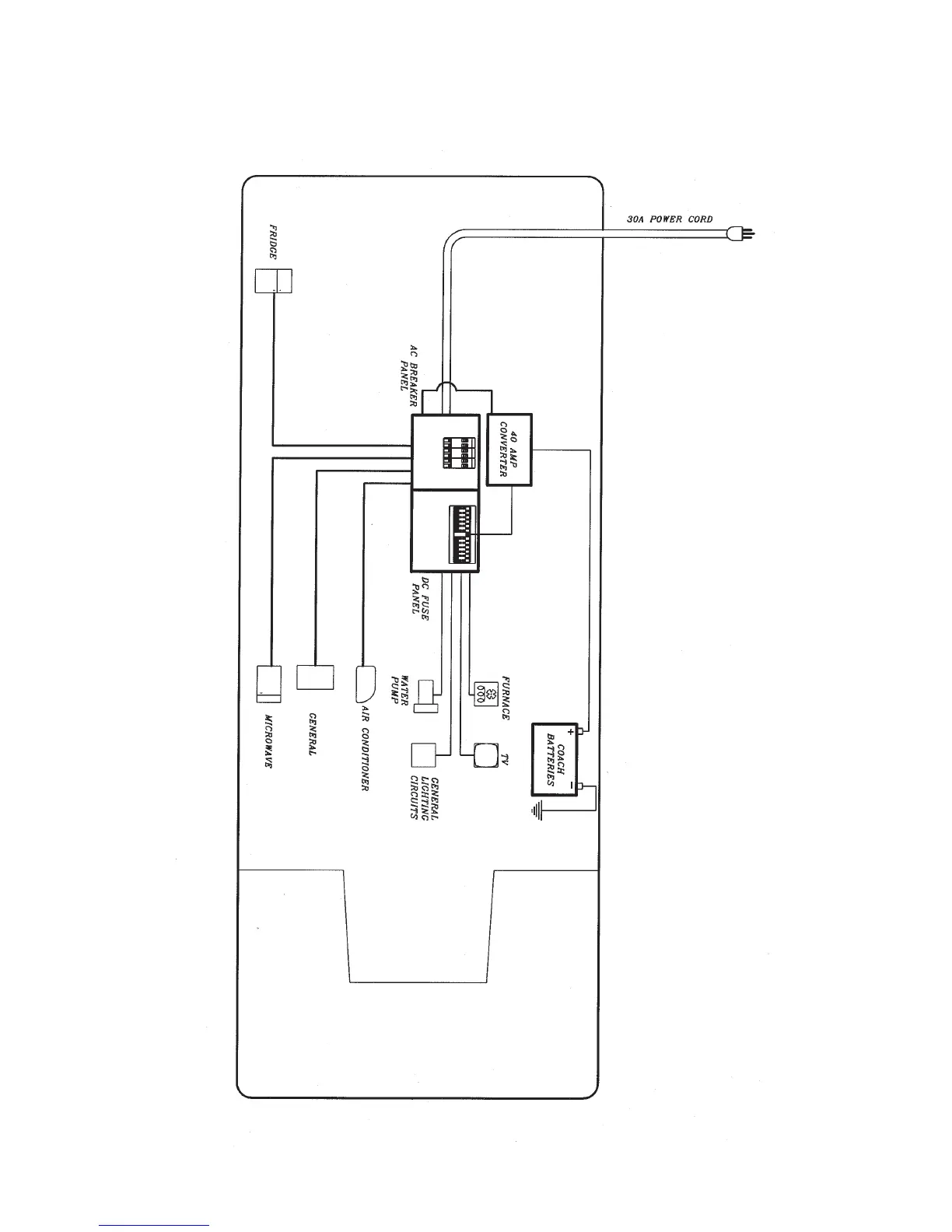
CLASS C MOTORHOME
10.5 TYPICAL ELECTRICAL SCHEMATICS

Table of Contents

Related product manuals