EasyManua.ls Logo

Trophy 2503 Center Console - Wiring Diagrams; 120-Volt Shore Power

Default Icon
56 pages
Print Icon
To Next Page IconTo Next Page
To Next Page IconTo Next Page
To Previous Page IconTo Previous Page
To Previous Page IconTo Previous Page
Loading...
41
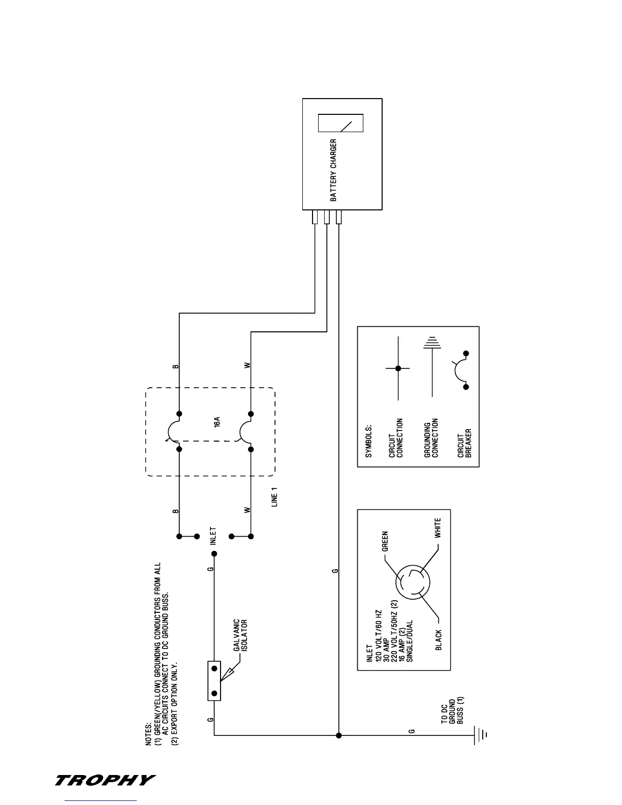
2503 Center Console • Owner’s Manual Supplement Chapter 9: Electrical System
Wiring Diagrams
120-Volt Shore Power

Table of Contents

Related product manuals